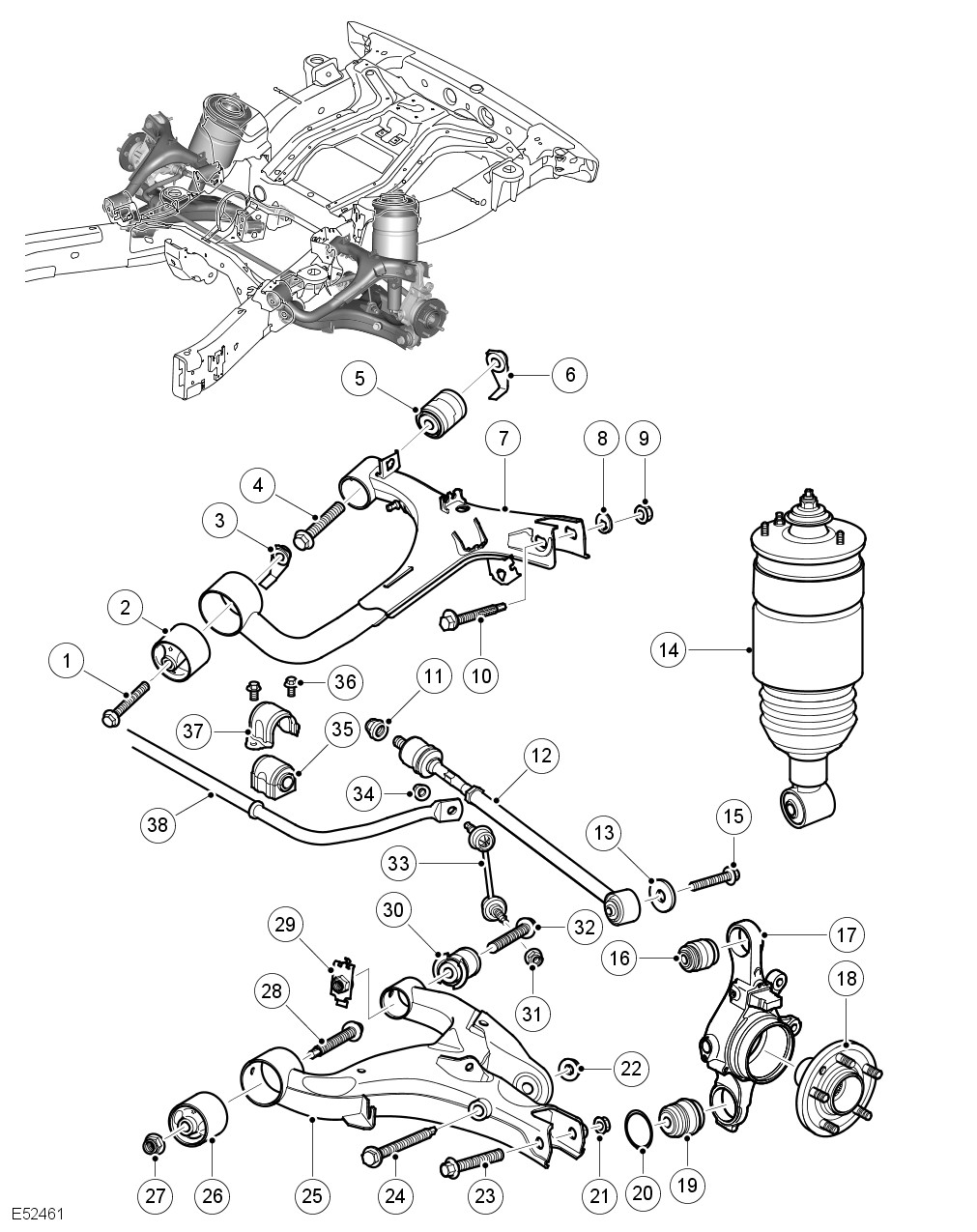
Without Dynamic Response version shown
| Item | Description |
|---|---|
| 1 | Bolt (Upper arm forward bush) |
| 2 | Bush - Forward (Upper arm) |
| 3 | Caged nut (Upper arm forward bush) |
| 4 | Bolt (Upper arm rearward bush) |
| 5 | Bush - Rearward (Upper arm) |
| 6 | Caged nut (Upper arm rearward bush) |
| 7 | Upper arm |
| 8 | Eccentric washer (Wheel knuckle upper ball joint) |
| 9 | Nut (Wheel knuckle upper ball joint) |
| 10 | Bolt (Wheel knuckle upper ball joint) |
| 11 | Special nut (Adjustable transverse toe link) |
| 12 | Adjustable transverse toe link |
| 13 | Washer (Adjustable transverse toe link) |
| 14 | Damper module assembly |
| 15 | Bolt (Adjustable transverse toe link) |
| 16 | Ball joint (Wheel knuckle upper) |
| 17 | Wheel knuckle and bearing assembly |
| 18 | Wheel hub |
| 19 | Ball joint (Wheel knuckle lower) |
| 20 | Circlip (Wheel knuckle lower ball joint) |
| 21 | Self-locking nut (Wheel knuckle lower ball joint) |
| 22 | Self-locking nut (Damper assembly lower attachment) |
| 23 | Bolt (Wheel knuckle lower ball joint) |
| 24 | Bolt (Damper assembly lower attachment) |
| 25 | Lower arm |
| 26 | Bush - Forward (Lower arm) |
| 27 | Self-locking nut (Lower arm forward bush) |
| 28 | Bolt (Lower arm forward bush) |
| 29 | Nut and retainer (Lower arm rearward bush) |
| 30 | Bush - Rearward (Lower arm) |
| 31 | Self-locking nut (Stabilizer bar link to lower arm) |
| 32 | Bolt (Lower arm rearward bush) |
| 33 | Stabilizer bar link |
| 34 | Self-locking nut (Stabilizer bar link to stabilizer bar) |
| 35 | Stabilizer bar bush |
| 36 | Bolt (Stabilizer bar bracket) |
| 37 | Stabilizer bar bracket |
| 38 | Stabilizer bar |
The independent rear suspension offers a reduction in unsprung weight over the beam axle design. The rear suspension comprises an upper arm, a lower arm, a wheel knuckle and wheel hub, two air spring damper modules and a stabilizer bar and links assembly.
The rear suspension arms have been designed to give maximum ground clearance. The suspension geometery can be adjusted for camber using a cam bolt and toe and bump steer adjustment can be corrected via an adjustable transverse link.
| Item | Description |
|---|---|
| 1 | Strap* |
| 2 | Upper gaitor* |
| 3 | Self-locking nut* |
| 4 | Rebound washer* |
| 5 | O-ring - Damper rod* |
| 6 | Spacer - Damper rod* |
| 7 | Air spring* |
| 8 | Retaining pin - Air spring sleeve support* |
| 9 | Bump washer* |
| 10 | Spring aid* |
| 11 | O-ring - Air sleeve support (2 off)* |
| 12 | Damper rod |
| 13 | Damper assembly |
| 14 | Strap* |
| 15 | Lower gaitor* |
| 16 | Strap* |
| 17 | Self-locking nut (3 off) |
| 18 | Top mount assembly |
| 19 | Bush |
| 20 | Voss connector |
* Shows service items
The damper module comprises an air spring assembly, top mount and a damper assembly. The damper and air spring are only serviceable as complete assemblies.
The damper assembly is a mono tube design with an air spring. The lower end of the damper is fitted with a bush and is attached to the lower arm with a bolt and nut.
The damper functions by restricting the flow of hydraulic fluid through internal galleries within the damper. The damper rod moves axially within the damper, its movement limited by the flow of fluid through the galleries, providing damping of undulations in the terrain. The damper rod is sealed at its exit point from the damper body to maintain the fluid within the unit and to prevent the ingress of dirt and moisture. The seal also incorporates a wiper to keep the rod clean.
The air spring is similar in design to the air spring used on the front suspension.
The air spring comprises an aluminium restraining cylinder, top mount, spring aid, air sleeve and an inner support sleeve.
The air sleeve is made from a flexible rubber material which allows the sleeve to roll up and down the air spring piston as the vehicle changes height. The air sleeve is attached to the restraining cylinder and the support sleeve with crimp rings which provide an air tight seal. The support sleeve contains a seal carrier which has two O-rings sealing the support sleeve and two O-rings sealing to the damper body. The top of the air sleeve is crimped to the top mount which attaches to a mounting on the chassis with 3 integral studs and self-locking nuts.
A spring aid is fitted to the damper rod and prevents the top mount contacting the top of the damper during full suspension compression and assists the suspension tune. The lower end of the air spring is located over the damper body and seats on a fabricated seat on the damper body. The air sleeve is positively attached to the seat with a retaining pin. The damper rod is located through a central hole in the top mount. The rod is threaded at its outer end and accepts a self-locking nut which secures the air spring to the damper rod.
The top mount is an integral part of the air spring. A bump washer is located between the top mount plate and the damper rod. A self locking nut secures the damper rod to the top mount. The top mount attaches to a housing on the chassis with 3 integral studs and self-locking nuts. The top mount also incorporates a 6 mm Voss air fitting which allows for the attachment of the air harness.
The air spring is fitted with two gaitors. The upper gaitor is fitted between the top mount and the air spring restraining cylinder. The lower gaitor is secured to the lower end of the restraining cylinder and the damper body with metal straps. The gaitors prevent dirt and debris becoming trapped between the air sleeve and the restraining cylinder.
| Item | Description |
|---|---|
| 1 | RH lower arm |
| 2 | Nut - link to lower arm (2 off) |
| 3 | Link (2 off) |
| 4 | Nut - link to stabilizer bar (2 off) |
| 5 | LH lower arm |
| 6 | Bush (2 off) |
| 7 | Bolt (4 off) |
| 8 | Bracket (2 off) |
Vehicles without the Dynamic Response stabilizer bar system use a conventional stabilizer bar. The Dynamic Response system is detailed in a separate section. For additional information, refer to: Active Stabilization System (204-06 Ride and Handling Optimization, Description and Operation).
The stabilizer bar is fabricated from heat treated, 23 mm diameter solid, spring steel bar. The stabilizer bar operates, via a pair of links, from their attachment to the lower arm.
The stabilizer bar is located on the upper face of a combined body mount and stabilizer bar bracket which is welded to each chassis side member. The stabilizer bar is attached to the brackets with two, Teflon lined bushes. The bushes are fitted with brackets, which are pressed onto the bushes and secured to the chassis brackets with bolts.
The stabilizer bar has crimped, 'anti-shuffle' collars pressed into position on the inside edges of the bushes. The collars prevent sideways movement of the stabilizer bar.
The ends of the stabilizer bar are attached to the lower arms via links. These allow the stabilizer bar to move with the wheel travel providing maximum effectiveness.
The rear stabilizer links are unique to vehicles with a passive (non-Dynamic Response) stabilizer bar. The passive (non-Dynamic Response) links can be identified by a white colored plastic bearing moulding. The Dynamic Response rear links are identified by a grey color plastic bearing moulding.
Each link has a ball joint at each end. The top ball joint is attached to the link at 90 degrees to the link axis. The ball joint is located in a hole in the end of the stabilizer bar and secured with a self locking nut.
The bottom ball joint is also attached to the link at 90 degrees to the link axis. The ball joint is located a hole in a bracket on the lower arm and secured with a self-locking nut. The links are not handed and therefore can be fitted to either side of the stabilizer bar.
| Item | Description |
|---|---|
| 1 | Bolt |
| 2 | Bumpstop clip |
| 3 | Forward bush |
| 4 | Bumpstop clip |
| 5 | Caged nut |
| 6 | Bolt |
| 7 | Rearward bush |
| 8 | Caged nut |
| 9 | Self-locking nut - upper knuckle ball joint |
| 10 | Eccentric washer - upper knuckle ball joint |
| 11 | Cam bolt - upper knuckle ball joint |
| 12 | Upper arm |
The upper arm locates in brackets on the upper surface of each chassis side member. The upper arm assembly comprises the upper arm and two bushes. The upper arm is a pressed steel fabrication. Its outer end has two brackets with slotted holes which locate the upper ball joint of the knuckle. The ball joint is secured in the upper arm with a cam bolt, eccentric washer and a self-locking nut. The cam bolt and the eccentric washer allow for the adjustment of the wheel camber.
Two fabricated tubular housings provide the location for the forward and rearward bushes. The bushes, which are pressed into the housings, locate between brackets on the chassis side members and are secured with bolts and caged nuts through metal inserts in the centre of the bushes.
| Item | Description |
|---|---|
| 1 | Self-locking nut |
| 2 | Bumpstop clip |
| 3 | Forward bush |
| 4 | Bumpstop clip |
| 5 | Bolt |
| 6 | Nut and retainer |
| 7 | Rearward bush |
| 8 | Bolt |
| 9 | Stabilizer bar link bracket |
| 10 | Self-locking nut - damper lower attachment |
| 11 | Self-locking nut - knuckle lower ball joint attachment |
| 12 | Bolt - knuckle lower ball joint attachment |
| 13 | Bolt - damper lower attachment |
| 14 | Lower arm |
The lower arm locates in brackets on the lower surface of each chassis side member. The lower arm assembly comprises the lower arm and two bushes. The lower arm is a pressed steel fabrication. Its outer end has two brackets which locate the lower ball joint of the knuckle. The ball joint is secured with a bolt and self-locking nut. The lower control arm also provides for the attachment of the damper bush which is secured with a bolt and a self-locking nut.
A bracket, welded to the upper surface of the lower arm, allows for the attachment of the bottom ball joint of the stabilizer bar link. The ball joint is secured to the bracket with a self-locking nut.
Two fabricated tubular housings provide the location for the forward and rearward bushes. The bushes, which are pressed into the housings, locate between brackets on the chassis side members. The forward bush is secured to the chassis bracket with a bolt and self-locking nut. The rearward bush is secured to the chassis bracket with a bolt and a nut with retainer. The nut and retainer allows for easy installation or removal of the bolt by removing the requirement to hold the self-locking nut when installing or removing the bolt.
| Item | Description |
|---|---|
| 1 | Circlip - lower ball joint |
| 2 | Ball joint - lower |
| 3 | Park brake assembly attachment holes |
| 4 | Wheel speed sensor location |
| 5 | Wheel speed sensor cable bracket attachment |
| 6 | Ball joint - upper |
| 7 | Knuckle |
| 8 | Brake caliper attachment holes |
| 9 | Wheel bearing |
| 10 | Circlip - wheel bearing retention |
| 11 | Wheel hub |
| 12 | Nut - halfshaft |
The wheel knuckle is a machined forging which is located between the upper and lower arms. The knuckle is fitted with two ball joints which are pressed into the knuckle, with the lower ball joint being secured with a circlip. The ball joints are positioned between brackets on the upper and lower arms and secured to the arms with a bolt and self-locking nut.
The wheel knuckle provides the location for the rear wheel taper roller bearing, which is pressed into a machined bore and retained with a circlip. The wheel bearing is a serviceable item. The knuckle has a machined bore which provides the location for the wheel speed sensor. Four threaded holes allow for the attachment of the park brake assembly. A cast boss on the knuckle provides positive location for the park brake assembly. Two bosses on the knuckle casting provide the attachment points for the rear brake caliper.
The wheel hub is a machined casting which is pressed into the wheel bearing in the knuckle. The hub has a splined centre bore which mates with corresponding splines on the halfshaft. Five M14 studs are pressed into the wheel hub and provide for the attachment of the road wheel with wheel nuts. Rotation of the halfshaft is passed, via the splines, to the wheel hub which rotates on the taper roller bearing.