Published: 04-Jun-2014

2007.0 Range Rover Sport (LS), 204-06

Ride and Handling Optimization

Active Stabilization System (G938498)

DESCRIPTION AND OPERATION
Dynamic Response Component Location
NOTE:

Left Hand (LH) drive TdV6 shown, other models similar

E56396
 
ItemDescription
1Reservoir
2Right Hand (RH) front stabilizer link
3Pipe set
4Lower accelerometer
5Valve block
6RH rear stabilizer link
7Upper accelerometer
8LH rear stabilizer link
9Rear actuator and stabilizer bar
10Dynamic response control module
11LH front stabilizer link
12Front actuator and stabilizer bar
13High pressure hose
14Pump
15Return pipe - valve block to reservoir
16Feed pipe - reservoir to pump
OVERVIEW

The Dynamic Response system provides improved vehicle handling and ride characteristics and is active for both on and off-road driving.

The Dynamic Response system uses two accelerometers to detect vehicle cornering forces and inputs from the steering angle sensor to supply data to a dynamic response control module. The control module then operates solenoid valves in a valve block which apply hydraulic pressure to actuators fitted to the front and rear stabilizer bars. The application of hydraulic pressure to the actuators applies a specified amount of torque to the stabilizer bars to counteract the cornering forces and minimize vehicle body roll.

The following illustrations demonstrate the difference in body angle between a conventional 'passive' (non-Dynamic Response) stabilizer bar vehicle and a vehicle fitted with the Dynamic Response system.

Conventional 'Passive' Stabilizer Bar
E56397
 
ItemDescription
ADirection of travel - Right hand bend
BBody roll
CDrive line roll
DTire squash
EDampers
FBody roll angle
GDrive line roll angle
HDirection of stabilizer bar twist
Dynamic Response System
E56398
 
ItemDescription
ADirection of travel - Right hand bend
BBody roll
CDrive line roll
DTire squash
EStabilizer bar
FDirection of stabilizer bar twist
GDampers
HDrive line roll angle
IReduced body roll with Dynamic Response system

The Dynamic Response system is electrically and hydraulically operated. Electrical and hydraulic operation is controlled by the Dynamic Response control module which is located on the driver's side 'A' pillar, behind the instrument panel.

The Dynamic Response system comprises front and rear stabilizer bars with integral actuators, two accelerometers, a control module, a hydraulic pump, a valve block and a fluid reservoir.

The Dynamic Response system prevents body roll with cornering forces of up to 0.4 g. From 0.4 g there is a progressive increase in body roll but significantly lower than on a 'passive' system. A 'passive' system will have a progressive increase in body roll angle as soon as cornering forces are applied and will have a greater roll angle than the Dynamic Response system for the same cornering force.

The Dynamic Response system can also detect when the vehicle is driven off-road. If off-road conditions are detected and the vehicle is traveling at 25 mph (40 km/h) or less, the control module will reduce roll compensation. On side slopes of more than 11 degrees the Dynamic Response system will switch to a 'locked bars' condition at slow speed.

Lateral acceleration of the body is sensed by two accelerometers and signals from these are transmitted to the control module. The engine driven hydraulic pump supplies a constant hydraulic flow to the valve block. Two directional control valves are solenoid operated by the control module and supply hydraulic pressure to the applicable side of each actuator to apply a force equal to and opposite to the force applied to the stabilizer bar. In operation the Dynamic Response system maintains the attitude of the vehicle body when cornering.

The Dynamic Response hydraulic system uses a semi-synthetic hydraulic fluid which is the same fluid used in the power steering system. The total capacity of the Dynamic Response system is 2.50 liters (0.66 US gallons).

CAUTION:

The Dynamic Response hydraulic system is extremely sensitive to the ingress of dirt and debris. The smallest amount can cause the system to become unserviceable. It is imperative that the following precautions are followed:

  • Dynamic Response components are thoroughly cleaned externally before work commences
  • All opened pipe and component ports are capped immediately
  • All fluid is stored in clean containers.

In the event of a control module or hydraulic failure the system will 'fail-safe' to a 'locked bars' condition. The 'locked bars' condition will allow the stabilizer bars to operate in a similar manner as conventional 'passive' stabilizer bars. Prolonged cornering forces will allow a progressive increase in roll angle due to hydraulic leakage through the actuators and valve block. Failures of the system are relayed to the driver by illumination of the air suspension/dynamic response warning indicator in the instrument cluster, an audible warning chime and a message displayed in the instrument cluster message centre. Faults are recorded by the control module and can be retrieved using a Land Rover approved diagnostic system.

When the ignition switch is moved to position II, the warning indicator is illuminated for two seconds to check functionality. The warning indicator functionality can also be checked using a Land Rover approved diagnostic system.

A Land Rover approved diagnostic system must also be used to perform a bleeding procedure after repair or maintenance operations have been performed. This is to ensure that the system is completely free from air. Trapped air in the system can significantly reduce system performance.

FLUID RESERVOIR

The fluid reservoir is located in the front right hand side of the engine compartment. The reservoir is attached to the front of air cleaner housing by two slotted rails which positively locate the reservoir.

The reservoir is a moulded plastic container with a threaded neck which is fitted with a sealed cap. Two connections on the bottom of the reservoir provide for connection of the feed pipe to the pump and the return pipe from the valve block.

A non-serviceable filter assembly is fitted to the base of the reservoir. The filter is made from a fine nylon mesh which is moulded into the bottom of the reservoir. The filter removes particulate matter from the fluid before it is drawn into the pump.

Upper and lower fluid level marks are moulded onto the reservoir body. The capacity of the reservoir to the upper level mark is 0.4 liter (0.11 US gallon).

DYNAMIC RESPONSE PUMP

The Dynamic Response hydraulic pump is located on the RH side of the engine. The pump is attached to a mounting bracket below the generator on TdV6 and TdV8 engines and above the generator on V8 petrol engines. On both engines the pump is driven by the accessory drive belt from the crankshaft.

E56399
 
ItemDescription
1Cam ring
2Cylinder housing
3Inlet port
4Outlet port
5Shaft
6Silencer volume
7Discharge valve
8Piston spring
9Piston
10Housing
11Counter balance
12Pulley attachment flange

The hydraulic pump is driven at approximately 1.7 times crankshaft speed by the auxiliary drive belt. The pump is a radial piston type which delivers fluid at high pressures.

The radial pump has eight pistons located in bores in a cylinder housing. A balanced central shaft, which is driven by a pulley and the auxiliary drive belt, has a cam which operates the pistons as the shaft rotates.

As the cam lobe reaches each piston, the piston is pushed outward, moving the fluid above the piston. The pressure created by the fluid flow from the bore opens a spring loaded discharge valve. When the valve opens, the now pressurized fluid flows, via the silencer volume area of the cylinder housing, to the outlet port. The silencer volume assists with damping out operating noise from the pump. When the piston reaches its full stroke, the flow reduces and the discharge valve closes under spring pressure.

As the cam lobe moves away from the piston, a spring pushes the piston down the bore, creating a vacuum above the piston. As the piston moves down the bore, ports in the piston are exposed and connect with the fluid inlet port. The vacuum draws fluid into the piston filling the piston and the chamber above it. As the piston is again pushed upwards, the ports in the piston are closed off by the bore and the pressurized fluid opens the discharge valve and flows to the outlet port.

The above sequence is applied to each of the eight pistons for every revolution of the shaft and cam. When the engine is running the sequence occurs rapidly creating a constant flow of fluid. The fluid flow varies with engine speed and the rotational speed of the shaft. The pressure applied to the actuators, created by the flow from the pump, is controlled by the pressure control valve in the valve block.

The pump has a displacement of 6cm3/rev and an operational pressure of 165 bar (2248 lbf/in2). The pump output flow ranges from 6.5 l/min (1.7 US Gallons/min) at idle to 10 l/min (2.64 US Gallons/min) at 1000 rev/min and above.

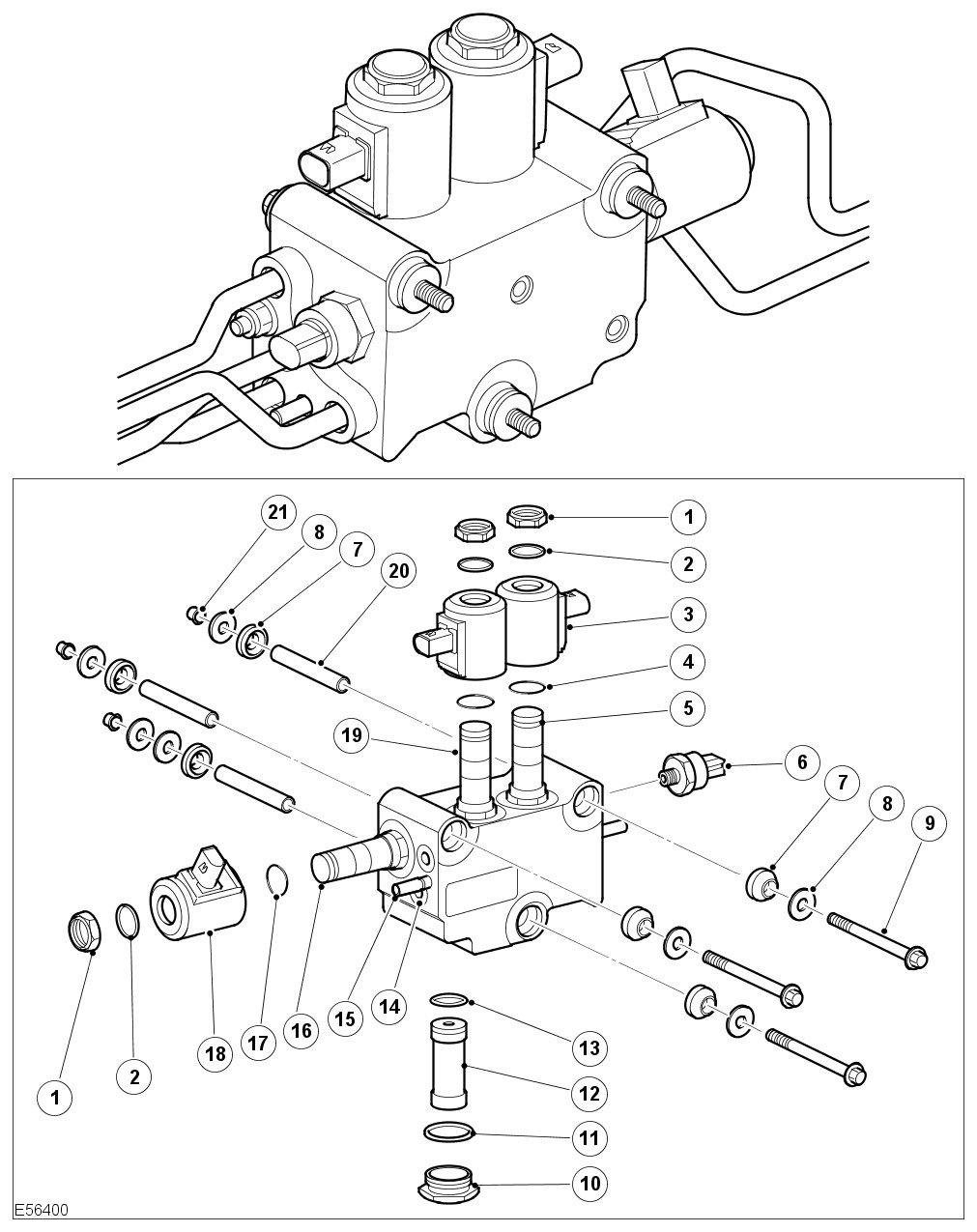
DYNAMIC RESPONSE VALVE BLOCK

The valve block is located below the RH sill of the body and is secured with three bolts and rubber bushes to captive nuts located in the chassis. The rubber bushes isolate the valve block preventing hydraulic noise from transmitting through the body.

E56400
 
ItemDescription
1Nut (3 off)
2O ring (3 off)
3Directional control valve coils (DCV1 and DCV2)
4O ring (3 off)
5DCV1
6Pressure transducer
7Mounting bush (6 off)
8Washer (7 off)
9Bolt (3 off)
10Nut
11O ring
12High pressure filter
13O ring
14Pipe connections
15Stud (3 off)
16Pressure control valve
17O ring
18Pressure control valve coil
19DCV2
20Spacer (3 off)
21Captive nut (3 off) (chassis mounting)

The valve block directs hydraulic pressure to the actuators via solenoid operated directional control valves. A solenoid operated pressure control valve regulates the required pressure to the actuators. The three solenoid valves are controlled by signals received from the dynamic response control module. A pressure transducer monitors the pressure generated by the Pressure Control Valve (PCV). A serviceable high pressure filter is installed into the underside of the valve block and filters the hydraulic fluid before it reaches the control valves. The filter must be changed at the intervals defined on the vehicle service schedule.

The two Directional Control Valves (DCV's) are fitted to ports in the top face of the valve block. The DCV's are screwed into the valve block and are sealed with O rings. Each DCV has a solenoid for electrical operation of the valve. The solenoid is sealed to the DCV with two O rings and secured with a threaded nut. The nut, coil and O rings are serviceable parts. The DCV's are non-serviceable and failure of a DCV requires replacement of the valve block assembly.

The PCV is fitted to a port in the rear facing end of the valve block. The PCV is screwed into the valve block and is sealed with O rings. The PCV has coil for electrical operation which is sealed to the PCV with two O rings and secured with a threaded nut. The nut, coil and O rings are serviceable items. The PCV is non-serviceable and failure of the PCV requires replacement of the valve block assembly.

The pressure transducer is located in the forward facing end of the valve block and is sealed with an O ring. The pressure transducer measures the hydraulic pressure and returns a signal to the Dynamic Response control module.

A high pressure filter locates in a port on the lower face of the valve block. The gauze and fibre filter is sealed in the port with O rings and is secured with a threaded cap which is also sealed with an O ring. A threaded hole in the lower face of the filter allows a bolt to be fitted to remove the filter from the port. If a system hydraulic component is replaced, the filter must also be replaced.

Four ports are located on the forward facing end of the valve block and two ports on the opposite end. Each port is fitted with a seal pack which contains two O rings and backing rings. The pipes locate and seal in the seal packs and are secured to the valve block with studs and nuts.

ACTUATORS AND STABILIZER BARS

Two stabilizer bars with integral hydraulic actuators are used for the Dynamic Response system. The actuators apply a hydraulically generated force or rotational torque to the stabilizer bar to oppose lateral forces caused by the vehicle cornering.

Actuator Sectional View
E56408
 
ItemDescription
1Air bleed ports
2Piston
3Ball screw
4Stabilizer bar

Each actuator has a piston which is attached to the inner part of a rotor linear ball screw, which is splined to half of the stabilizer bar. The outer part of the ball screw is crimped and welded into a housing which is attached to the other half of the stabilizer bar. As pressure is applied to one side of the piston or the other, the ball screw converts the linear force applied to the piston into a rotational torque between the two halves of the stabilizer bar.

Front Actuator and Stabilizer Bar

E56401
 
ItemDescription
1Hardened washer (4 off)
2RH stabilizer link
3Stabilizer bar
4Chassis mounting brackets
5Actuator
6LH stabilizer link
7Stabilizer bar mounting bush
8Pipe fluid connections

Rear Actuator and Stabilizer Bar

E56402
 
ItemDescription
1RH stabilizer link
2Stabilizer bar bracket
3Stabilizer bar mounting bush
4Actuator
5Stabilizer bar
6LH stabilizer link
NOTES:
  • TdV8 models are fitted with a different rear actuator to that fitted to TdV6 or petrol V8 models. The TdV8 actuator has a larger internal piston diameter and care must be taken in service to ensure that the correct part is fitted.

  • On vehicles from 2007MY, the positions of the front actuator ports have been moved and therefore care must be taken to ensure the correct parts are fitted in service.

Two hydraulic connections provide for the attachment of the hydraulic pipes from the valve block. The connections provide hydraulic flow to each side of the actuator piston.

The front and rear actuator assemblies are similar in their construction, with the rear actuator being smaller than the front. Each stabilizer bar is made from 34 mm (1.34 in) diameter spring steel bar.

The actuator assembly and the stabilizer bars are not serviceable items. Only the stabilizer bar attachment bushes, brackets and stabilizer links are serviceable components.

The front stabilizer links are not handed on the front stabilizer bar and are also common to vehicles not fitted with Dynamic Response. The rear stabilizer links are unique to vehicles with Dynamic Response. The Dynamic Response rear links are identified by a gray color plastic bearing moulding. The passive (non-Dynamic Response) links can be identified by a white colored plastic bearing moulding.

The front stabilizer bar and actuator is attached to a chassis strengthening member known as the secondary load path and to the front cross-member. Two serviceable, split rubber bushes are fitted to the stabilizer bar and are located in cast brackets. Each bracket is secured to the secondary load path with two bolts and to the front cross-member with a third bolt.

The rear stabilizer bar and actuator is attached to fabricated brackets which are located on the outside of the chassis side members, forward of the rear wheels.

Two rubber bushes are fitted to each stabilizer bar and are located in clamp brackets. The front and rear bushes and brackets are not interchangeable.

On both the front and rear stabilizer bars, roll correction force is transmitted to the suspension arm via ball jointed stabilizer bar links. The front links are attached to the front suspension upper arm and the rear links are attached to the rear lower arm.

Each front stabilizer link is fitted with a hardened steel washer which is located between the stabilizer bar and the link ball joint and the upper arm and the link ball joint. It is important that these washers are in the correct position and the correct, hardened washers are fitted. Failure to fit the washers or using incorrect washers will result in relaxation of the torque on the self-locking nut and damage will be caused to the stabilizer bar, link and suspension upper arm.

SYSTEM PIPES

Fluid is moved through the Dynamic Response system via a series of six pipes and hoses. The pipes are mounted on brackets at strategic points to provide quiet operation of the system.

The six pipes connecting the pump, reservoir and actuators are one-piece components. If the pipes require replacement during service, the pipes are supplied individually and are removed and replaced in one piece. The front and rear pipes require the body to be lifted slightly to allow access for removal and replacement.

On TdV8 models from 2007MY, the high pressure hose and pipe from the pump to the valve block are available as two separate service parts. The high pressure hose has a quick release connector located in a position below the Air Conditioning (A/C) compressor. This allows the hose to be split into two parts to assist with service repairs. The connector is sealed with an O-ring and a back-up ring which are available as service items. A special tool is required to separate the connector. The tool is inserted into a slot in the connector, which separates the two components. It is not necessary to use the tool as a lever to 'push' the two components apart.

The flexible high pressure hose which supplies pressure from the pump to the high pressure pipe is fitted with attenuators. The attenuators comprise of tuned lengths of PTFE pipe and restrictors within the flexible hose. The attenuators damp pressure pulsations in the hydraulic fluid produced by the pump, reducing noise and strain on components downstream. The attenuator is integral with the high pressure hose and cannot be serviced separately.

CAUTION:

Under no circumstances during repairs should clamps be used on the high pressure hose or the front and rear actuator feed pipes to prevent fluid loss. The use of clamps will damage the pipes and hoses leading to premature failure.

DYNAMIC RESPONSE CONTROL MODULE

The Dynamic Response control module is located on the driver's side 'A' pillar, behind the instrument panel. The control module is secured to the vehicle body with two screws. Two connectors are located on the rear face of the control module and allow for the connection of the harness connectors. The two connectors supply power, ground, signal and sensor information to and from the control module for control of the Dynamic Response system.

On vehicles from 2007MY, the Dynamic Response control module contains 2 tunes; One for TdV6 and V8 petrol models and one for TdV8 models. When a replacement control module is fitted, the correct tune is selected from the data contained within the Car Configuration File (CCF) retained in the instrument cluster.

E56403

The Dynamic Response control module receives a power supply from the main relay via fuse 9E in the Battery Junction Box (BJB).

An engine speed signal is transmitted to the control module from the Engine Control Module (ECM) via the high speed Controller Area Network (CAN) bus. The engine speed signal is used by the Dynamic Response control module to detect that the engine is running and hydraulic pressure for the Dynamic Response system is available.

A road speed signal is transmitted to the control module from the ABS module on the high speed CAN. A steering angle signal is transmitted on the high speed CAN bus from the steering angle sensor. The Dynamic Response control module uses the road speed and steering angle signals to calculate lateral acceleration and for on and off-road roll compensation.

When reverse gear is selected and reverse wheel rotation is transmitted on the high speed CAN bus, the Dynamic Response system reverts to a 'locked bars' condition. This condition is maintained until reverse gear is deselected and a forward wheel rotation message is transmitted on the CAN bus.

The Dynamic Response control module receives an ignition on signal on the high speed CAN bus. The ignition signal provides an input into the control module to inform the control module that the ignition switch is in position II. The control module initiates a 250 ms start time which is used to prevent functions operating when the software routines are being initialized.

When the ignition on CAN signal is removed, the control module senses that the ignition has been switched off. The control module remains powered for a 30 second period to allow fault information and adaptive values to be stored in the memory. The values and fault information are read by the control module when the ignition is next switched on. The power supply to the control module is maintained for as long as the main relay remains energized.

The Dynamic Response control module is connected on the high speed CAN bus to the diagnostic socket which allows diagnostic interrogation of the control module. The diagnostic socket allows for the connection of a Land Rover approved diagnostic system to read any stored fault codes in the control module. The control module can also be updated with revised software using a Land Rover approved diagnostic system should a software update be required.

When system faults are detected, the control module issues a message on the CAN bus which is received by the instrument cluster. The instrument cluster then illuminates the air suspension/Dynamic Response warning indicator as follows:

  • Minor faults - warning indicator illuminated in an amber color with an applicable message in the message centre
  • Major faults - warning indicator illuminated in a flashing red color with an applicable message in the message centre and an audible warning. The message will instruct the driver to stop the vehicle immediately or drive with caution.

Two messages relating to Dynamic Response are displayed in the instrument cluster message centre:

  • SUSPENSION FAULT, VEHICLE LEAN, WHEN CORNERING
  • SUSPENSION FAULT, STOP SAFELY, STOP ENGINE.

The Dynamic Response control module supplies a control current to the Pressure Control Valve (PCV) in the valve block. The current supplied is determined by a number of input signals from the upper and lower accelerometers, road speed, steering angle etc.. The PCV controls the hydraulic pressure supplied to the actuators proportional to the current supplied by the control module.

Power is supplied to the two solenoid operated Directional Control Valves (DCV) in the valve block by the control module. Together, the two DCV's control the direction of flow of hydraulic fluid to the actuators. When the control module supplies power to the solenoids the valves open allowing hydraulic fluid to flow to the actuators. When power is removed, the DCV's close. DCV1 is left open for left hand corners and DCV2 is opened for right hand corners.

The pressure transducer located in the valve block receives a 5V current from the control module. The transducer measures the hydraulic pressures in the range of 0 to 180 bar (0 to 2610 lbf/in2) and returns a linear output voltage to the control module dependant on the hydraulic pressure.

The Dynamic Response control module supplies a 5V current to each of the accelerometers. Each accelerometer is capable of measuring lateral acceleration in the range of ± 1.11 g. An analogue input to the control module of between 0.5 and 4.5V relative to the lateral acceleration sensed is returned by each accelerometer. The control module processes the two signals received, together with the steering angle and vehicle speed signals, to produce a 'pure' lateral acceleration signal which is then used as the main control signal for the Dynamic Response system.

Failure Modes

Failures where the vehicle can still be driven safely are indicated by the air suspension/Dynamic Response warning indicator in the instrument cluster illuminating continuously in an amber color. The amber indicator will remain illuminated until the ignition is switched off. For all faults, the warning indicator will only illuminate again if the fault is still present.

Failures which require the driver to stop the vehicle immediately are indicated by the air suspension/Dynamic Response warning indicator flashing in a red color and an audible warning. This will also be accompanied by an applicable message displayed in the message centre.

All faults are recorded by the control module and can be retrieved using a Land Rover approved diagnostic system. The diagnostic system provides a description of the fault, possible causes and corrective action to rectify the fault. The control module can fail to one of two states; 'locked bars' or 'reduced operation'.

The 'locked bars' condition means that pump flow is directed through the valve block and returns to the reservoir. Both DCV's close, trapping the fluid in the actuators. The fluid can flow from one actuator to the other via the valve block. The stabilizer bars will perform similar to a conventional stabilizer bar, resisting roll but still allowing suspension articulation.

The 'reduced operation' condition means that the system can still operate, but one of the input signals is not being received and so the system performance is not optimum.

If the steering angle sensor develops a fault or is out of calibration, there is a possibility that the dynamic response control module will record a fault code. A Land Rover approved diagnostic system should be used to check for fault codes and the adaptive data should be cleared by resetting the fault codes in the control module after the steering angle sensor has been recalibrated. For additional information, refer to: Anti-Lock Control - Traction Control (206-09A Anti-Lock Control - Traction Control, Description and Operation).

ACCELEROMETERS

Two accelerometers are used; an upper and a lower. Both accelerometers are identical in their construction.

The lower accelerometer is secured to the underside of the vehicle floor, on the RH inner sill panel, below the front door. The upper accelerometer is secured to a bracket on the body roof panel, in a central position at the top of the windscreen.

E56405

The lower accelerometer is the primary sensor used to measure lateral acceleration of the vehicle for roll control. The upper accelerometer is used by the Dynamic Response control module for roll correction and fault detection in conjunction with the lower accelerometer.

Each accelerometer is a capacitive acceleration sensor and operates on a 5V supply from the dynamic response control module. The upper and lower accelerometers can measure acceleration in the range of ±1.11 g and return an output to the control module of between 0.5 and 4.5V.

Failures of an accelerometer are recorded by the control module and can be retrieved using a Land Rover approved diagnostic system. A special tool is required to remove and replace the accelerometer in the mounting bracket.

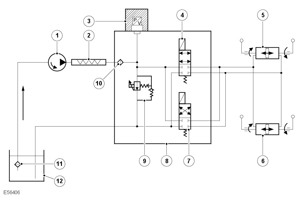
HYDRAULIC CIRCUIT DIAGRAM
E56406
 
ItemDescription
1Hydraulic pump
2Attenuator hose
3Pressure transducer
4Directional control valve 2
5Front actuator assembly
6Rear actuator assembly
7Directional control valve 1
8Valve block
9Pressure Control Valve (PCV)
10High pressure filter
11Filter
12Reservoir
DYNAMIC RESPONSE SYSTEM OPERATION

Vehicle Not Moving

When the engine is running and the vehicle is not moving, both DCV's are closed, locking fluid in each side of the actuator piston. The hydraulic pump draws fluid from the reservoir and passes it at very low pressure to the valve block.

Because both DCV's are closed, after the fluid passes through the high pressure filter, it is directed through the PCV to the reservoir.

The PCV is open fully to allow the full flow to pass to the reservoir. The DCV's will remain closed until the control module detects a requirement to operate.

Vehicle Moving and Turning Left

When the vehicle is turning left, the accelerometers detect the cornering forces applied and transmit signals to the control module. The control module determines that an opposing force must be applied to the stabilizer bars to counter the cornering forces. The control module supplies a current to the solenoid of DCV2. Simultaneously, a current is supplied from the control module to the PCV which operates to restrict the flow of fluid returning to the reservoir.

The restriction causes the hydraulic pressure in the system to rise and the pressure is sensed by the pressure transducer which sends a signal to the control module. The control module determines from the inputs it receives what pressure is required and adjusts the pressure accordingly.

The pressure in the system is applied to the piston of each actuator, applying an opposing force to the stabilizer bar and minimizing the cornering effect on the vehicle and maintaining the vehicle attitude. The fluid displaced from the other side of the piston is returned to the reservoir via the valve block.

As the cornering force is removed when the vehicle straightens up, the control module opens the PCV to reduce the pressure in the system. The fluid bleeds from the actuator back into the system as the cornering force is reduced, removing the force applied to the stabilizer bar. When the vehicle is moving in a straight line DCV2 closes.

Vehicle Moving and Turning Right

When the vehicle is turning right, the accelerometers detect the cornering forces applied and transmit signals to the control module. The control module determines that an opposing force must be applied to the stabilizer bars to counter the cornering forces. The control module supplies a current to the solenoid of DCV1. Simultaneously, a current is supplied from the control module to the PCV which operates to restrict the flow of fluid through the by-pass gallery.

The restriction causes the hydraulic pressure in the system to rise and the pressure is sensed by the pressure transducer which sends a signal corresponding to the pressure to the control module. The control module determines from the inputs it receives what pressure is required and adjusts the pressure control valve accordingly.

The pressure in the system is applied to the piston of each actuator, applying an opposing force to the stabilizer bar and minimizing the cornering effect on the vehicle and maintaining the vehicle attitude. The fluid displaced from the other side of the piston is returned to the reservoir via the valve block.

As the cornering force is removed when the vehicle straightens up, the control module opens the PCV to reduce the pressure in the system. The fluid bleeds from the actuator back into the system as the cornering force is reduced, removing the force applied to the stabilizer bar. When the vehicle is moving in a straight line DCV1 closes.

Vehicle Moving in a Straight Line

The control module is constantly monitoring the signals received and operates the DCV's and PCV to maintain the vehicle attitude when the vehicle is moving.

Off-Road Driving

Off-road detection is achieved by the control module by monitoring the signals from the upper and lower accelerometers for varying degrees of body movement. Off-road driving generates differing signals to the accelerometers which in turn produce differing outputs due to their vertical separation and the location of the roll centre of the vehicle.

The two signals are passed through a filter to remove any offset caused by the vehicle leaning or the terrain. The control module then uses this signal to calculate the percentage of road roughness.

Below 25 mph (40 km/h) the percentage of road roughness calculated is used by the control module to limit the operation of the Dynamic Response system. At speeds above 25 mph (40 km/h) the system disables the percentage road roughness signal and full Dynamic Response system assistance is restored. The system is completely inoperative at speeds below 2 mph (3 km/h).

Side Slope Detection

The control module uses side slope detection when the upper and lower accelerometers detect an average acceleration of more than ± 0.2 g or 11 degrees of side slope and a road speed of less than 25 mph (40 km/h).

When side slope is detected, both DCV's close to provide a 'locked bars' condition. This condition increases stability and gives a constant vehicle response. As the road speed increases up to 25 mph (40 km/h), the level of average lateral acceleration must also increase and be maintained for the system to recognize that the vehicle is on a side slope. If the side slope angle is steep and the road speed is low, the control module will detect the side slope in a short time.

CONTROL DIAGRAM
NOTE:

A = Hardwired; D = High speed CAN bus

E56407
 
ItemDescription
1Main relay
2Fuse 9E (15A)
3Left front wheel speed sensor
4Right front wheel speed sensor
5Left rear wheel speed sensor
6Right rear wheel speed sensor
7Yaw rate and lateral acceleration sensor
8ABS module
9Instrument cluster
10Air suspension control module
11Transfer box control module
12Engine control module
13Transmission control module
14Diagnostic socket
15Steering angle sensor
16Dynamic Response control module
17Pressure Control Valve (PCV) coil
18Valve block
19Pressure transducer
20DCV 1 coil
21DCV 2 coil
22Lower accelerometer
23Upper accelerometer