Published: 11-May-2011

2007.0 Range Rover Sport (LS), 307-01D

Automatic Transmission/Transaxle - TDV8 3.6L Diesel

Automatic Transmission (G938500)

DESCRIPTION AND OPERATION
3.6L TdV8 DIESEL 6HP26 - COMPONENT LOCATION
E86893
 
ItemDescription
1Selector lever assembly
2M/S LCD display
3PRND LCD display
4Instrument cluster
5Automatic transmission
6Transmission fluid cooler
OVERVIEW

The ZF 6HP26 transmission is an electronically controlled, six speed unit. The transmission is manufactured by ZF Transmissions GmbH in Saarbrücken, Germany. This transmission represents the latest in automatic transmission technology and incorporates new features to enhance the transmission functionality:

  • The hydraulic and electronic control elements of the transmission are now incorporated in a single unit located inside the transmission and is known as 'Mechatronic'
  • Another new strategy is Adaptive Shift Strategy (ASIS). ASIS represents the continuous adaptation of shift changes to suit the driving style of the driver which can vary from sporting to economical. Further details of the ASIS function are contained in the 'Driving Modes' section.

The transmission used in the 3.6L V8 Diesel Range Rover Sport is an uprated derivative of the 6HP26 transmission used in the 4.4L V8 model. The uprated transmission includes an additional pinion gear in the planetary gear train and additional clutch plates to enable the transmission to manage the additional torque output of the V8 diesel engine.

The transmission is controlled by a transmission control module (TCM) which contains software to provide operation as a semi-automatic 'CommandShift™' transmission. The TCM allows the transmission to be operated as a conventional automatic unit by selecting P, R, N, D on the selector lever. Movement of the selector lever across the gate to the 'M/S' position puts the transmission into electronic 'Sport' mode. Further movement of the lever in a lateral direction to the + or – position puts the transmission into electronic manual 'CommandShift™' mode.

The 6HP26 transmission has the following features:

  • Designed to be maintenance free
  • Transmission fluid is 'fill for life'
  • The torque converter features a controlled slip feature with electronically regulated control of lock-up, creating a smooth transition to the fully locked condition
  • Shift programs controlled by the TCM
  • Connected to the engine control module (ECM) via the High Speed controller area network (CAN) bus for communications
  • Default mode if major faults occur
  • Diagnostics available from the TCM via the high speed CAN bus.
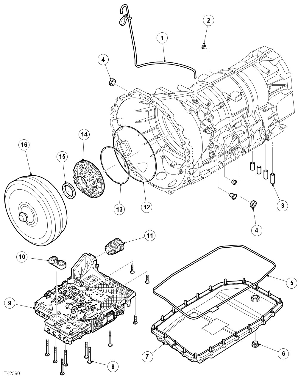
ZF 6HP26 Automatic Transmission – Exploded View
NOTE:

The transmission shown is exploded to the extent of the serviceable items

E42390
 
ItemDescription
1Breather tube
2Plug
3Seal sleeves
4Seal - Selector shaft (2 off)
5Gasket
6Drain plug
7Fluid pan
8Torx screws
9Mechatronic valve block
10Element seal
11Electrical connector – guide sleeve
12O-ring
13O-ring
14Pump housing (not serviceable)
15Input shaft seal
16Torque converter

The gearbox comprises the main casing which houses all of the transmission components. The main case also incorporates an integral bell housing.

A fluid pan is bolted to the lower face of the main case and is secured with bolts. The fluid pan is sealed to the main case with a gasket. Removal of the fluid pan allows access to the Mechatronic valve block. The fluid pan has a magnet located around the drain plug which collects any metallic particles present in the transmission fluid.

A fluid filter is located inside the fluid pan. If the transmission fluid becomes contaminated or after any service work, the fluid pan with integral filter must be replaced.

CAUTION:

Take care when removing the fluid pan and/or replacing the Mechatronic valve block that neither the fluid pan gasket or the mating face on the transmission casing is damaged or leakage may occur. Do not use metal tools to prise the fluid pan from the transmission casing. Take care when positioning a new mechatronic unit to ensure it does not contact the casing face.

The integral bell housing provides protection for the torque converter assembly and also provides the attachment for the gearbox to the engine cylinder block. The torque converter is a non-serviceable assembly which also contains the lock-up clutch mechanism. The torque converter drives a crescent type pump via drive tangs. The fluid pump is located in the main case, behind the torque converter.

The main case contains the following major components:

  • Input shaft
  • Output shaft
  • Mechatronic valve block which contains the solenoids, speed sensors and the TCM
  • Three rotating multiplate drive clutches
  • Two fixed multiplate brake clutches
  • A single planetary gear train and a double planetary gear train.
ZF 6HP26 Automatic Transmission – Typical Sectional View
E42391
 
ItemDescription
1Torque converter lock-up clutch
2Torque converter
3Fluid pump
4Single planetary gearset
5Clutch A
6Clutch B
7Clutch E
8Brake C
9Brake D
10Double planetary gearset
11Park lock gear
12Output shaft
13Park lock pawl
14Drain plug
15Magnet
16Pressure regulator
17Mechatronic valve block
18Fluid filter
19Fluid pan
20Input shaft
21Transmission casing
TORQUE CONVERTER
Typical Torque Converter Sectional View
E42740
 
ItemDescription
1Turbine
2Impeller
3Stator
4Freewheel
5Torque converter hub
6Stator shaft
7Turbine shaft
8Journal - Drive plate/crankshaft location
9Torque converter cover
10Lock-up clutch piston
11Drive plate
12Lock-up clutch plate
13Torsional vibration damper

The torque converter is the coupling element between the engine and the gearbox and is located in the transmission housing, on the engine side of the transmission. The driven power from the engine crankshaft is transmitted hydraulically and mechanically through the torque converter to the transmission. The torque converter is connected to the engine by a drive plate.

The torque converter comprises an impeller, a stator, a turbine and a torsional vibration damper. The torque converter is a sealed unit with all components located between the converter housing cover and the impeller. The two components are welded together to form a sealed, fluid filled housing. With the impeller welded to the converter housing cover, the impeller is therefore driven at engine crankshaft speed.

The converter housing cover has threaded bosses which provide for attachment of the engine drive plate which is connected to the engine crankshaft. The threaded bosses also provide for location of special tools which are required to remove the torque converter from the bell housing.

The torque converter used on TDV8 models is similar in construction to the torque converter on gasoline models but contains a torsional vibration damper. The damper smooths the output from the engine and prevents unwanted vibration from being passed to the transmission.

Impeller

Fluid Flow
NOTE:

Typical torque converter shown

E42397
 
ItemDescription
1Turbine
2Stator
3Impeller

When the engine is running the rotating impeller acts as a centrifugal pump, picking up fluid at its centre and discharging it at high velocity through the blades on its outer rim. The design and shape of the blades and the curve of the impeller body cause the fluid to rotate in a clockwise direction as it leaves the impeller. This rotation improves the efficiency of the fluid as it contacts the outer row of blades on the turbine.

The centrifugal force of the fluid leaving the blades of the impeller is passed to the curved inner surface of the turbine via the tip of the blades. The velocity and clockwise rotation of the fluid causes the turbine to rotate.

Turbine

The turbine is similar in design to the impeller with a continuous row of blades. Fluid from the impeller enters the turbine through the tip of the blades and is directed around the curved body of the turbine to the root of the blades. The curved surface redirects the fluid back in the opposite direction to which it entered the turbine, effectively increasing the turning force applied to the turbine from the impeller. This principle is known as torque multiplication.

When engine speed increases, turbine speed also increases. The fluid leaving the inner row of the turbine blades is rotated in an anti-clockwise direction due to the curve of the turbine and the shape of the blades. The fluid is now flowing in the opposite direction to the engine rotation and therefore the impeller. If the fluid was allowed to hit the impeller in this condition, it would have the effect of applying a brake to the impeller, eliminating the torque multiplication effect. To prevent this, the stator is located between the impeller and the turbine.

Stator

The stator is located on the splined transmission input shaft via a freewheel clutch. The stator comprises a number of blades which are aligned in an opposite direction to those of the impeller and turbine. The main function of the stator is to redirect the returning fluid from the turbine, changing its direction to that of the impeller.

The redirected fluid from the stator is directed at the inner row of blades of the impeller, assisting the engine in turning the impeller. This sequence increases the force of the fluid emitted from the impeller and thereby increases the torque multiplication effect of the torque converter.

Stator Functions
NOTE:

Typical stator shown

E42398
 
ItemDescription
1Blades
2Stator held – fluid flow redirected
3Stator rotates freely
4Roller
5Converter at coupling speed
6Fluid flow from turbine
7Converter multiplying
8Fluid flow from impeller
9Drive from engine
10Impeller
11Stator
12Turbine
13Output to transmission

Refer to the 'Stator Functions' illustration

Fluid emitted from the impeller acts on the turbine. If the turbine is rotating at a slower speed than the fluid from the impeller, the fluid will be deflected by the turbine blades in the path 'A'. The fluid is directed at and deflected by the stator blades from path 'B' to path 'C'. This ensures that the fluid is directed back to the pump in the optimum direction. In this condition the sprag clutch is engaged and the force of the fluid on the stator blades assists the engine in rotating the impeller

As the rotational speed of the engine and therefore the turbine increases, the direction of the fluid leaving the turbine changes to path 'D'. The fluid is now directed from the turbine to the opposite side of the stator blades, rotating the stator in the opposite direction. To prevent the stator from resisting the smooth flow of the fluid from the turbine, the sprag clutch releases, allowing the stator to rotate freely on its shaft.

When the stator becomes inactive, the torque converter no longer multiplies the engine torque. When the torque converter reaches this operational condition it ceases to multiply the engine torque and acts solely as a fluid coupling, with the impeller and the turbine rotating at approximately the same speed.

The stator uses a sprag type, one way, freewheel clutch. When the stator is rotated in a clockwise direction the sprags twist and are wedged between the inner and outer races. In this condition the sprags transfer the rotation of the outer race to the inner race which rotates at the same speed.

One Way Free Wheel Clutch – Typical

E42712
 
ItemDescription
1Sprags
2Inner race
3Outer race
4Sprag and cage assembly
5Sprag outer race
6Sprag inner race
7Retaining ring

The free wheel clutch can perform three functions; hold the stator stationary, drive the stator and free wheel allowing the stator to rotate without a drive output. The free wheel clutch used in the 6HP26 transmission is of the sprag type and comprises an inner and outer race and a sprag and cage assembly. The inner and outer races are pressed into their related components with which they rotate. The sprag and cage assembly is located between the inner and outer races.

The sprags are located in a cage which is a spring which holds the sprags in the 'wedge' direction and maintains them in contact with the inner and outer races.

Referring to the illustration, the sprags are designed so that the dimension 'B' is larger than the distance between the inner and outer race bearing surfaces. When the outer race rotates in a clockwise direction, the sprags twist and the edges across the dimension 'B' wedge between the races, providing a positive drive through each sprag to the inner race. The dimension 'A' is smaller than the distance between the inner and outer race bearing surfaces. When the outer race rotates in an anti-clockwise direction, the dimension 'A' is too small to allow the sprags to wedge between the races, allowing the outer race to rotate freely.

On the illustration shown, when the outer race is rotated in a clockwise direction, the sprags twist and are 'wedged' between the inner and outer races. The sprags then transfer the rotation of the outer race to the inner race, which rotates at the same speed.

Lock-Up Clutch Mechanism

The Torque Converter Clutch (TCC) is hydraulically controlled by an electronic pressure regulating solenoid (EPRS6) which is controlled by the TCM. This allows the torque converter to have three states of operation as follows:

  • Fully engaged
  • Controlled slip variable engagement
  • Fully disengaged

The TCC is controlled by two hydraulic spool valves located in the valve block. These valves are actuated by pilot pressure supplied via a solenoid valve which is also located in the valve block. The solenoid valve is operated by pulse width modulation (PWM) signals from the TCM to give full, partial or no lock-up of the torque converter.

E42399
 
ItemDescription
AUnlocked condition
BLocked condition
1Clutch plate
2Clutch piston
3Torque converter body
4Turbine
5Impeller
6Stator
7Piston chamber
8Turbine chamber

The lock-up clutch is a hydro-mechanical device which eliminates torque converter slip, improving fuel consumption. The engagement and disengagement is controlled by the TCM to allow a certain amount of controlled 'slip'. This allows a small difference in the rotational speeds of the impeller and the turbine which results in improved shift quality. The lock-up clutch comprises a piston and a clutch friction plate.

In the unlocked condition, the oil pressure supplied to the piston chamber and the turbine chamber is equal. Pressurized fluid flows through a drilling in the turbine shaft and through the piston chamber to the turbine chamber. In this condition the clutch plate is held away from the torque converter body and torque converter slip is permitted.

In the locked condition, the TCC spool valves are actuated by the electronic pressure regulating solenoid (EPRS6). The fluid flow in the unlocked condition is reversed and the piston chamber is vented. Pressurized fluid is directed into the turbine chamber and is applied to the clutch piston. The piston moves with the pressure and pushes the clutch plate against the torque converter body. As the pressure increases, the friction between the clutch plate and the body increases, finally resulting in full lock-up of the clutch plate with the body. In this condition there is direct mechanical drive from the engine crankshaft to the transmission planetary gear train.

FLUID PUMP

The fluid pump is an integral part of the transmission. The fluid pump is used to supply hydraulic pressure for the operation of the control valves and clutches, to pass the fluid through the transmission cooler and to lubricate the gears and shafts.

The 6HP26 fluid pump is a crescent type pump and is located between the intermediate plate and the torque converter. The pump has a delivery rate of 16cm3 per revolution.

E42400
 
ItemDescription
1Securing ring
2Shaft oil seal
3O-ring seal
4Pump housing
5Ring gear
6Crescent spacer
7Roller bearing
8Impeller
9Centring pin
10Spring washer
11Outlet port (high pressure)
12Inlet port (low pressure)

The pump comprises a housing, a crescent spacer, an impeller and a ring gear. The housing has inlet and outlet ports to direct flow and is located in the intermediate plate by a centring pin. The pump action is achieved by the impeller, ring gear and crescent spacer.

The crescent spacer is fixed in its position by a pin and is located between the ring gear and the impeller. The impeller is driven by the torque converter hub which is located on a needle roller bearing in the pump housing. The impeller teeth mesh with those of the ring gear. When the impeller is rotated, the motion is transferred to the ring gear which rotates in the same direction.

The rotational motion of the ring gear and the impeller collects fluid from the intake port in the spaces between the teeth. When the teeth reach the crescent spacer, the oil is trapped in the spaces between the teeth and is carried with the rotation of the gears. The spacer tapers near the outlet port. This reduces the space between the gear teeth causing a build up of fluid pressure as the oil reaches the outlet port. When the teeth pass the end of the spacer the pressurized fluid is released into the outlet port.

The fluid emerging from the outlet port is passed through the fluid pressure control valve. At high operating speeds the pressure control valve maintains the output pressure to the gearbox at a predetermined maximum level. Excess fluid is relieved from the pressure control valve and is directed, via the main pressure valve in the valve block, back to the pump inlet port. This provides a pressurized feed to the pump inlet which prevents cavitation and reduces pump noise.

MECHATRONIC VALVE BLOCK

The Mechatronic valve block is located in the bottom of the transmission and is covered by the fluid pan. The valve block houses the TCM, electrical actuators, speed sensors and control valves which provide all electro-hydraulic control for all transmission functions. The Mechatronic valve block comprises the following components:

  • TCM
  • Six pressure regulator solenoids
  • One shift control solenoid
  • One damper
  • Twenty one hydraulic spool valves
  • Manually operated selector valve
  • Temperature sensor
  • Turbine speed sensor
  • Output shaft speed sensor.
ZF 6HP26 Automatic Transmission – Mechatronic Valve Block
E42392
 
ItemDescription
1Position switch
2Sliding block
3Selector spool valve
4Position switch assembly
5Electronic Pressure Regulator Solenoid (EPRS) 6
6Solenoid Valve 1
7EPRS 4
8EPRS 5
9EPRS 3
10EPRS 2
11EPRS 1
12Electrical connector
13TCM
14Valve housing
15Valve plate
16Torque converter retaining valve
17Clutch return valve
18Element seal
19Pressure regulator dampers
20Intermediate plate
ZF 6HP26 Automatic Transmission – Valve Housing Components
E42393
 
ItemDescription
1Selector spool valve
2Lubricating valve
3Torque converter pressure valve
4System pressure valve
5Torque converter clutch valve
6Retaining valve – Clutch E
7Clutch valve E
8Clutch valve A
9Valve housing
10Bolts
11Retaining valve – Clutch A
12Retaining valve – Clutch B
13Pressure reducing valve
14Shift valve 1
15Retaining valve – Brake D
16Shift valve 2
17Damper
18Electronic Pressure Regulator Solenoid (EPRS) 6
19Solenoid valve 1
20EPRS 4
21EPRS 5
22EPRS 2
23EPRS 3
24EPRS 1
ZF 6HP26 Automatic Transmission – Valve Plate Components
E42394
 
ItemDescription
1Retaining valve – Brake D2
2Clutch valve – Brake D2
3Clutch valve B
4Valve plate
5Clutch valve – Brake D1
6Clutch valve – Brake C

Electronic Pressure Regulator Solenoids (EPRS)

E42713

Six Electronic Pressure Regulator Solenoids (EPRS) are located in the valve block. The solenoids are controlled by PWM signals from the TCM. The solenoids convert the electrical signals into hydraulic control pressure proportional to the signal to actuate the spool valves for precise transmission operation.

The following table shows EPRS and their associated functions:

EPRS Function
1Clutch A
2Clutch B
3Clutch C
4Brake clutches D and E
5System pressure control
6Torque converter lock-up control

Solenoids EPRS 1, 3 and 6 supply a lower control pressure as the signal amperage increases and can be identified by a black connector cap. The TCM operates the solenoids using PWM signals. The TCM monitors engine load and clutch slip and varies the solenoid duty cycle accordingly. The solenoids have a 12V operating voltage and a pressure range of 0 - 4.6 bar (0 - 67 lbf.in2).

Solenoids EPRS 2, 4 and 5 supply a higher control pressure as the signal amperage increases and can be identified by a green connector cap. The solenoids are normally open, regulating flow solenoid valves. The TCM operates the solenoids using a PWM ground proportional to the required increasing or decreasing clutch pressures. The solenoids have a 12V operating voltage and a pressure range of 4.6 - 0 bar (67 - 0 lbf.in2).

The resistance of the coil winding for the EPRS solenoids is 5.05 ohms at 20°C (68°F).

Control Solenoid

E42714

A shift control Solenoid Valve (SV) is located in the valve block. The solenoid is controlled by the TCM and converts electrical signals into hydraulic control signals to control clutch application.

The shift control solenoid is an open/closed, on/off solenoid which is controlled by the TCM switching the solenoid to ground. The TCM also supplies power to the solenoid. The TCM energizes the solenoid in a programmed sequence for clutch application for gear ratio changes and shift control.

The resistance of the solenoid coil winding within the solenoid valve is between 26 to 30.4 ohms at 20°C (68°F).

Sensors

Speed Sensors

The turbine speed sensor and the output shaft speed sensor are Hall effect type sensors located in the Mechatronic valve block and are not serviceable items. The TCM monitors the signals from each sensor to determine the input (turbine) speed and the output shaft speed.

The turbine speed is monitored by the TCM to calculate the slip of the torque converter clutch and internal clutch slip. This signal allows the TCM to accurately control the slip timing during shifts and adjust clutch application or release pressure for overlap shift control.

The output shaft speed is monitored by the TCM and compared to engine speed signals received on the CAN bus from the TCMECM. Using a comparison of the two signals the TCM calculates the transmission slip ratio for plausibility and maintains adaptive pressure control.

Temperature Sensor

The temperature sensor is also located in the Mechatronic valve block. The TCM uses the temperature sensor signals to determine the temperature of the transmission fluid. These signals are used by the TCM to control the transmission operation to promote faster warm-up in cold conditions or to assist with fluid cooling by controlling the transmission operation when high fluid temperatures are experienced. If the sensor fails, the TCM will use a default value and a fault code will be stored in the TCM.

Damper

There is one damper located in the valve housing. The damper is used to regulate and dampen the regulated pressure supplied via EPRS 5. The damper is load dependent through modulation of the damper against return spring pressure.

The damper comprises a piston, a housing bore and a spring. The piston is subject to the pressure applied by the spring. The bore has a connecting port to the function to which it applies. Fluid pressure applied to the applicable component (i.e. a clutch) is also subjected to the full area of the piston, which moves against the opposing force applied by the spring. The movement of the piston creates an action similar to a shock absorber, momentarily delaying the build up of pressure in the circuit. This results in a more gradual application of clutches improving shift quality.

Spool Valves

The valve block contains twenty one spool valves which control various functions of the transmission. The spool valves are of conventional design and are operated by fluid pressure.

Each spool valve is located in its spool bore and held in a default (unpressurized) position by a spring. The spool bore has a number of ports which allow fluid to flow to other valves and clutches to enable transmission operation. Each spool has a piston which is waisted to allow fluid to be diverted into the applicable ports when the valve is operated.

When fluid pressure moves a spool, one or more ports in the spool bore are covered or uncovered. Fluid is prevented from flowing or is allowed to flow around the applicable waisted area of the spool and into another uncovered port. The fluid is either passed through galleries to actuate another spool, operate a clutch or is returned to the fluid pan.

DRIVE CLUTCHES
Multiplate Drive or Brake Clutch – Typical
E42715
 
ItemDescription
1Input shaft
2Main pressure supply port
3Piston
4Cylinder – External plate carrier
5Clutch plate assembly
6Baffle plate
7Diaphragm spring
8Output shaft
9Bearing
10Dynamic pressure equalisation chamber
11Piston chamber
12Lubrication channel

There are three drive clutches and two brake clutches used in the 6HP26 transmission. Each clutch comprises one or more friction plates dependent on the output controlled. A typical clutch consists of a number of steel outer plates and inner plates with friction material bonded to each face.

The clutch plates are held apart mechanically by a diaphragm spring and hydraulically by dynamic pressure. The pressure is derived from a lubrication channel which supplies fluid to the bearings etc. The fluid is passed via a drilling in the output shaft into the chamber between the baffle plate and the piston. To prevent inadvertent clutch application due to pressure build up produced by centrifugal force, the fluid in the dynamic pressure equalisation chamber overcomes any pressure in the piston chamber and holds the piston off the clutch plate assembly.

When clutch application is required, main pressure from the fluid pump is applied to the piston chamber from the supply port. This main pressure overcomes the low pressure fluid present in the dynamic pressure equalisation chamber. The piston moves, against the pressure applied by the diaphragm spring, and compresses the clutch plate assembly. When the main pressure falls, the diaphragm spring pushes the piston away from the clutch plate assembly, disengaging the clutch.

PLANETARY GEAR TRAINS

The planetary gear trains used on the 6HP26 transmission comprise a single web planetary gear train and a double web planetary gear train. These gear trains are known as Lepelletier type gear trains and together produce the six forward gears and the one reverse gear.

Single Web Planetary Gear Train

The single web planetary gear train comprises:

  • One sunwheel
  • Four planetary gears
  • One planetary gear carrier (spider)
  • One ring gear or annulus
E57038
 
ItemDescription
1Torque converter input shaft
2Stator shaft
3Multi-disc clutch A
4Multi-disc clutch E
5Planetary gear carrier
6Ring gear 1
7Planetary gear
8Sunwheel 1

Double Web Planetary Gear Train

E42717
 
ItemDescription
1Planetary gear spider
2Planetary gears (short)
3Ring gear
4Output shaft
5Planetary gear carrier
6Sunwheel
7Double planetary gears (long)
8Sunwheel

The double planetary gear train comprises:

  • Two sunwheels
  • Three short planetary gears
  • Three long planetary gears
  • One planetary gear carrier
  • One ring gear or annulus
POWER FLOWS

Operation of the transmission is controlled by the TCM which electrically activates various solenoids to control the transmission gear selection. The sequence of solenoid activation is based on programmed information in the module memory and physical transmission operating conditions such as vehicle speed, throttle position, engine load and selector lever position.

Powerflow Schematic
E42718
 
ItemDescription
1Torque input from engine
2Torque converter lock-up clutch
3Single web planetary gear carrier
4Single web planetary gears
5Single web sunwheel 1
6Double web sunwheel 2
7Double web planetary gears - Long
8Double web planetary gear carrier
9Double web planetary gears - Short
10Double web sunwheel 3
11Torque output from transmission
AMultiplate clutch
BMultiplate clutch
CMultiplate brake
DMultiplate brake
EMultiplate clutch

Engine torque is transferred, via operation of single or combinations of clutches to the two planetary gear trains. Both gear trains are controlled by reactionary inputs from brake clutches to produce the six forward gears and one reverse gear. The ratios are as follows:

Gear 1st2nd3rd4th5th6thReverse
Ratio4.1712.3401.5211.1430.8670.6913.403

The following table shows which solenoids are activated to produce the required torque output from the transmission.

Gear Selector Lever Position Shift Control Solenoid Valve Electronic Pressure Regulator Solenoids (EPRS)
123456
P ----ON-ON--
R--ON-ON-ON--
N-- -ON-ON--
D 1-ON -ON-ON--ON-
D 2-ON ON -ON--ON-
D 3-ONON- -ON--ON-
D 4ONON -ON-ON--ON-
D 5ON-ON-ON-ON--ON-
D 6ON- ONON-ON--ON-
ON = Active (pressure build up)
OFF = Inactive
-ON- = Inactive (pressure drain)

The following table shows which clutches are operating for selected gear ratios to produce the required torque output from the transmission.

Gear Selector Lever Position Shift Control Solenoid Valve Clutch Brake
ABEWKCD
P------X
R--X---X
N------X
D 1-X--X-X
D 2-X--XX-
D 3-XX-X--
D 4ONX-XX--
D 5ON-XXX--
D 6ON--XXX-
X = clutch applied
Shift Elements
E42719
 
ItemDescription
1Turbine shaft
2Stator shaft
3Single web planetary gear train
4Ring gear 1
5Clutch A
6Clutch B
7Clutch E
8Brake clutch C
9Fixed connection to transmission housing
10Shaft key
11Brake clutch D
12Double web planetary gear train
13Planetary gears - Long
14Ring gear 2
15Sunwheel 2
16Sunwheel 3
17Double web planetary gear carrier
18Planetary gears - short
19Single web planetary gear carrier
20Sunwheel 1

The shift elements are three rotating multiplate clutches (A, B and E) and two fixed multiplate brakes © and D). All shifts from 1st to 6th gears are power-on overlapping shifts. Overlapping shifts can be described as one of the clutches continuing to transmit drive at a lower main pressure until the next required clutch is able to accept the input torque.

The shift elements, clutches and brakes are actuated hydraulically. Fluid pressure is applied to the required clutch and/or brake, pressing the plates together and allowing drive to be transmitted through the plates. The purpose of the shift elements is to perform power-on shifts with no interruption to traction and smooth transition between gear ratios.

Power Flow 1st Gear

E42720

The gear selector lever and the manual selector valve spool are in the 'D' position. Engine torque is transmitted from the torque converter turbine shaft to the ring gear 1 of the single web planetary gear train and the outer plate carrier of clutch 'E'.

Ring gear 1 drives the planetary gears which rotate around sunwheel 1. This drives the planetary gear carrier 1 and also the outer plate carrier of clutch 'A' and the inner plate carrier of clutch 'B'.

When clutch 'A' is engaged, sunwheel 3 in the double web planetary gear train is driven and meshes with the short planetary gears.

The double web planetary gear train is locked against the transmission housing by brake 'D'. This allows ring gear 2 (output shaft) to be driven in the same direction as the engine via the long planetary gears.

NOTE:

Refer to 'Shift Elements' illustration for key

E56815

Power Flow 2nd Gear

E42722

The gear selector lever and the manual selector spool valve are in the 'D' position. Engine torque is transmitted from the torque converter turbine shaft to the ring gear 1 of the single web planetary gear train and the outer plate carrier of clutch 'E'.

Ring gear 1 drives the planetary gears which rotate around sunwheel 1. This drives the planetary gear carrier 1 and also the outer plate carrier of clutch 'A' and the inner plate carrier of clutch 'B'.

When clutch 'A' is engaged, sunwheel 3 in the double web planetary gear train is driven and meshes with the short planetary gears.

Sunwheel 2 is locked to the transmission housing by brake clutch 'C'. The long planetary gears, which are also meshed with the short planetary gears, roll around the fixed sunwheel 2 and transmit drive to the double web planetary gear train carrier and ring gear 2 in the direction of engine rotation.

NOTE:

Refer to 'Shift Elements' illustration for key

E56816

Power Flow 3rd Gear

E42724

The gear selector lever and the manual selector spool valve are in the 'D' position. Engine torque is transmitted from the torque converter turbine shaft to the ring gear 1 of the single web planetary gear train and the outer plate carrier of clutch 'E'.

Ring gear 1 drives the planetary gears which rotate around sunwheel 1. This drives the planetary gear carrier 1 and also the outer plate carrier of clutch 'A' and the inner plate carrier of clutch 'B'.

When clutch 'A' is engaged, sunwheel 3 in the double web planetary gear train is driven and meshes with the short planetary gears.

Sunwheel 2 is driven via clutch 'B' which is engaged. The long planetary gears, which are also meshed with the short planetary gears, cannot roll around the fixed sunwheel 2 and transmit drive to the locked double web planetary gear train carrier in the direction of engine rotation.

NOTE:

Refer to 'Shift Elements' illustration for key

E56817

Power Flow 4th Gear

E42726

The gear selector lever and the manual selector spool valve are in the 'D' position. Engine torque is transmitted from the torque converter turbine shaft to ring gear 1 of the single web planetary gear train and the outer plate carrier of clutch 'E'.

Ring gear 1 drives the planetary gears which rotate around sunwheel 1. This drives the planetary gear carrier 1 and also the outer plate carrier of clutch 'A' and the inner plate carrier of clutch 'B'.

When clutch 'A' is engaged, sunwheel 3 in the double web planetary gear train is driven and meshes with the short planetary gears.

The double web planetary gear carrier is driven via clutch 'E' which is engaged. The long planetary gears, which are also meshed with the short planetary gears, and the double web planetary gear carrier, drive ring gear 2 in the direction of engine rotation.

NOTE:

Refer to 'Shift Elements' illustration for key

E56818

Power Flow 5th Gear

E42728

The gear selector lever and the manual selector spool valve are in the 'D' position. Engine torque is transmitted from the torque converter turbine shaft to ring gear 1 of the single web planetary gear train and the outer plate carrier of clutch 'E'.

Ring gear 1 drives the planetary gears which rotate around sunwheel 1. This drives the planetary gear carrier 1 and also the outer plate carrier of clutch 'A' and the inner plate carrier of clutch 'B'.

When clutch 'A' is engaged, sunwheel 3 in the double web planetary gear train is driven and meshes with the short planetary gears.

The long planetary gears, which are also meshed with the short planetary gears, and the double web planetary gear carrier, drive ring gear 2 in the direction of engine rotation.

NOTE:

Refer to 'Shift Elements' illustration for key

E56819

Power Flow 6th Gear

E42730

The gear selector lever and the manual selector spool valve are in the 'D' position. Engine torque is transmitted from the torque converter turbine shaft to ring gear 1 of the single web planetary gear train and the outer plate carrier of clutch 'E'.

Clutches 'A' and 'B' are released, removing the effect of the single web planetary gear train.

Clutch brake 'C' is applied which locks sunwheel 2 to the transmission housing.

Clutch 'E' is engaged and drives the double web planetary gear carrier. This causes the long planetary gears to rotate around the fixed sunwheel 2 and transmit drive to ring gear 2 which is driven in the direction of engine rotation.

NOTE:

Refer to 'Shift Elements' illustration for key

E56820

Power Flow Reverse Gear

E42732

The gear selector lever and the manual selector spool valve are in the 'R' position. Engine torque is transmitted from the torque converter turbine shaft to ring gear 1 of the single web planetary gear train and the outer plate carrier of clutch 'E'.

Ring gear 1 drives the planetary gears of the single web planetary gear train which rotate around the fixed sunwheel 1. This transmits the drive to the single web planetary gear carrier, the outer plate carrier of clutch 'A' and the inner plate carrier of clutch 'B'.

With clutch 'B' applied, sunwheel 2 in the double web planetary gear train is driven and meshes with the long planetary gears.

The double web planetary gear carrier is locked to the transmission housing by brake clutch 'D'. This allows ring gear 2 to be driven in the opposite direction to engine rotation by the long planetary gears.

NOTE:

Refer to 'Shift Elements' illustration for key

E56821
CONTROL DIAGRAM
NOTE:

A = Hardwired; D= High Speed CAN Bus

E52110
 
ItemDescription
1Diagnostic socket
2Mechatronic Valve (including TCM, sensors and solenoids)
3Instrument cluster
4Engine Control Module (ECM)
5Selector indicator (PRND)
6Selector indicator (M/S +/-)
7Fusible link 7E (50A)
8Fuse 43P (5A)
9Selector lever assembly
10Fuse 33P (5A)
11Ignition switch
12Fusible link 10E (30A)
13Fuse 27P (5A) – Ignition feed
14Fuse 4E (10A) – Permanent feed
15Starter relay
SELECTOR POSITION SWITCH

The Mechatronic valve block contains a position switch which is mechanically connected to the selector spool valve. The selector spool valve is connected by a selector shaft to the selector lever via a 'Bowden' selector cable.

The signals from the position switch are used by the TCM to determine the P, R, N or D selection made by the driver.

INSTRUMENT CLUSTER
E42905
 
ItemDescription
1Malfunction Indicator Lamp (MIL)
2Message centre
3Selector lever position indicator
4Mode display

The instrument cluster is connected to the TCM via the high speed CAN bus. Transmission status is transmitted by the TCM and displayed to the driver in one of two displays in the instrument cluster. For additional information, refer to: Instrument Cluster (413-01 Instrument Cluster, Description and Operation).

Malfunction Indicator Lamp (MIL)

The MIL is located in the tachometer in the instrument cluster. Transmission related faults which may affect the vehicle emissions output will illuminate the MIL.

The MIL is illuminated by the ECM on receipt of a relevant fault message from the TCM on the high speed CAN. The nature of the fault can be diagnosed using a Land Rover approved diagnostic system which reads the fault codes stored in the TCM memory.

Transmission Status Display

The transmission status display is located in a Liquid Crystal Display (LCD) within the speedometer housing. The LCD shows the selector lever position and the selected transmission mode. When the selector lever is in the manual CommandShift™ position, the selector lever position display will show the selected gear ratio.

The following table shows the displays and their descriptions.

Symbol Description
PPark selected
RReverse selected
NNeutral selected
DDrive selected
11st gear selected (Manual CommandShift™ mode)
22nd gear selected (Manual CommandShift™ mode)
33rd gear selected (Manual CommandShift™ mode)
44th gear selected (Manual CommandShift™ mode)
55th gear selected (Manual CommandShift™ mode)
66th gear selected (Manual CommandShift™ mode)

Message Centre Display

The message centre is located in the lower centre of the instrument cluster. The message centre is a LCD to relay vehicle status and operating information to the driver. The message centre can display messages relating to a number of the vehicle systems. The following list shows the possible transmission related messages:

  • TRANSMISSION FAULT LIMITED GEARS AVAILABLE
  • TRANSMISSION FAULT AND OVERHEAT
  • TRANSMISSION FAULT
  • TRANSMISSION OVERHEAT
TRANSMISSION CONTROL MODULE (TCM)

The TCM is an integral part of the Mechatronic valve block which is located at the bottom of the transmission, within the fluid pan. The TCM is the main controlling component of the transmission.

The TCM processes signals from the transmission speed and temperature sensors, engine control module and other vehicle systems. From the received signal inputs and pre-programmed data, the module calculates the correct gear, torque converter clutch setting and optimum pressure settings for gear shift and lock-up clutch control.

The TCM outputs signals to control the shift control solenoid valve and the Electronic Pressure Regulator Solenoids (EPRS) to control the hydraulic operation of the transmission.

The ECM supplies the engine management data on the high speed CAN bus system. The TCM requires engine data to efficiently control the transmission operation, for example; flywheel torque, engine speed, accelerator pedal angle, engine temperature etc.

The steering angle sensor and the anti-lock brake system (ABS) module also supply data to the TCM on the high speed CAN bus system. The TCM uses data from these systems to suspend gear changes when the vehicle is cornering and/or the ABS module is controlling braking or traction control.

The selector lever is connected to the automatic transmission and the position switch in the transmission by a Bowden cable. Movement of the selector lever moves the position switch via the Bowden cable and the switch position informs the TCM of the selected position. The sport/manual +/- CommandShift switch passes manual/sport selections to the TCM. An additional switch provides a selector lever in park position signal. Once the selector lever position is confirmed, the TCM outputs appropriate information which is received by the instrument cluster to display the gear selection information in the message centre.

The Mechatronic valve block also contains the speed and temperature sensors. These are integral with the Mechatronic valve block and cannot be serviced individually. The speed sensors measure the transmission input and output speeds and pass signals to the TCM. The fluid temperature sensor is also located in the valve block and measures the fluid temperature of the transmission fluid in the fluid pan.

The TCM is connected to the starter relay coil. When the selector lever is in PARK or NEUTRAL, the module provides a ground for the coil allowing the starter relay to be energized and allow starter motor operation. If the selector lever is in any other position, the module will not provide the ground preventing starter motor operation.

DIAGNOSTICS

The diagnostic socket is located in the lower instrument panel closing panel, on the driver's side, below the steering column.

The diagnostic socket allows the exchange of information between the various modules on the bus systems and a Land Rover approved diagnostic system or a diagnostic tool using ISO14229 protocol. The information is communicated to the socket via the high speed CAN bus from the TCM. This allows the retrieval of diagnostic information and programming of certain functions using a Land Rover approved diagnostic system or a suitable diagnostic tool.

CONTROLLER AREA NETWORK (CAN)

The high speed CAN broadcast bus network is used to connect the powertrain modules. The CAN bus is connected between the following electronic units:

High Speed CAN Bus

  • TCM
  • Instrument cluster
  • Air suspension module
  • Steering angle sensor
  • Rear differential module
  • Centre console switch pack
  • Electric park brake module
  • Restraints control module
  • Engine Control Module (ECM)
  • ABS control module
  • Adaptive front lighting control module
  • Transfer box control module
  • Adaptive cruise control module
  • Diagnostic socket.

The CAN bus allows a fast exchange of data between modules. The CAN bus comprises two wires which are identified as CAN high (H) and CAN low (L). The two wires are coloured yellow/black (H) and yellow/brown (L) and are twisted together to minimise electromagnetic interference (noise) produced by the CAN bus messages. For additional information, refer to: Communications Network (418-00 Module Communications Network, Description and Operation).

In the event of CAN bus failure, the following symptoms may be observed:

  • Transmission operates in default mode
  • Torque converter lock-up clutch control is disabled
  • Gear position indication in instrument cluster message centre inoperative (this will also occur with any transmission fault).
DRIVING MODES

There are a number of different driving modes of operation. Some can be selected by the driver and some are automatically initiated by the TCM during driving:

  • Normal mode
  • Sport mode
  • Manual (CommandShift™) mode
  • Adaptive Shift Strategy (ASIS)
  • Hill Descent Control (HDC) mode
  • Cruise mode
  • Hill mode
  • Default (Limp home) mode
  • Reverse lock-out mode
  • Cooling strategy
  • Curve recognition mode
  • Fast off recognition.

Normal Mode

Normal mode is automatically selected by the TCM on power up. In this mode all automatic and adaptive modes are active. Normal mode uses gear shift and lock-up maps to allow for vehicle operation which offers fuel consumption and emissions or driveability depending on the driving style. If the transmission is operated in sport or manual mode and the selector lever is moved to the 'D' position, normal mode is automatically resumed.

Sport Mode

The sport mode operates in high range only and provides enhanced acceleration and responsiveness. In sport mode the TCM uses shift maps which allow the transmission to downshift more readily, hold gears for longer at higher engine speeds, and limits the transmission to the first five gears (6th gear is not used).

Sport mode is selected by moving the selector lever to the left into the 'M/S' position. When the sport mode is first selected, 'SPORT' is displayed in the message centre for 6 seconds and, if 6th gear is currently engaged, the TCM downshifts to 5th.

Manual (CommandShift™) Mode

Manual mode allows the transmission to operate as a semi-automatic 'CommandShift™' unit. The driver can change up and down the six forward gears with the freedom of a manual transmission.

Shift maps are provided for manual mode to protect the engine at high engine speeds. The TCM will automatically change up to a higher gear ratio to prevent engine overspeed and change down to a lower gear ratio to avoid engine labouring and stalling.

When kickdown is requested the TCM downshifts at least 2 gears.

When the vehicle is stationary, to drive off the driver can select 1st , 2nd or 3rd gear in low and high range. Any other gear selection will be rejected by the TCM.

When driving off, upshifts can be pre-selected by making + selections with the selector lever for the number of upshifts required. The TCM then automatically performs a corresponding number of upshifts when the appropriate shift points are reached. So, for example, when starting off in 1st gear, if three + selections are made in quick succession, the TCM will automatically change up through the box to 4th gear as the vehicle accelerates, without any further selections being made.

In manual mode a low gear can be selected to provide engine braking for descending a slope without HDC or continuous use of the brake pedal. The driver can prepare for the end of the descent by moving the selector lever to D. The TCM will maintain the low gear and only revert to automatic shift control when the throttle is opened and vehicle speed increases.

Adaptive Shift Strategy (ASIS)

The ASIS system is a new feature on automatic transmissions. With the TCM linked via the CAN bus to other vehicle systems, signals are received which can allow the TCM to calculate the way in which the vehicle is being driven. The type of signals include the following:

  • Longitudinal and lateral acceleration
  • Engine speed
  • Engine torque
  • Oil temperature
  • Accelerator pedal position
  • Wheel speed.

Using these signals, additional transmission control can be obtained. The TCM can calculate when the vehicle is cornering, all wheels are gripping, the driver is braking or if the driver is accelerating. This is the conventional 'Adaptive' transmission control. ASIS uses this system but adds the continuous adaptation of the gear changes to the individual driving style of the driver.

HDC Mode

The HDC mode assists the ABS module in controlling the downhill speed of the vehicle. When HDC is selected on, the ABS module selects the most appropriate gear for the descent, to maximize engine braking.

Cruise Mode

When speed control is activated, the TCM receives a cruise active message on the CAN bus. The TCM activates a speed control map which prevents locking and unlocking of the torque converter clutch and minimizes up and down shifts.

Hill Mode

Hill mode is initiated by the TCM when the engine torque, via ECM signals on the CAN bus, exceeds the theoretical load curve for normal operation. The TCM monitors this signal to determine when the vehicle is travelling up or down a steep gradient.

In hill mode the TCM adopts one of four shift maps, three uphill and one downhill. The shift map chosen depends on the severity of the slope as determined from the engine signals and the appropriate gear is selected to assist with the ascent or descent.

Hill mode can also be initiated when the vehicle is at very high altitudes or ambient temperatures, and also when the vehicle is towing.

Default (Limp Home) Mode

If a transmission fault is detected by the TCM, the TCM adopts a limp home mode strategy. 'TRANS. FAILSAFE' is displayed in the message centre and, if the fault has an effect on engine emissions, the MIL will also be illuminated.

In default mode, P, R and N functions operate normally (if the fault allows these selections) and the TCM locks the transmission in 3rd or 5th gear to allow the driver to take the vehicle to the nearest dealer. The torque converter lock-up clutch is disabled and reverse lock-out will not function.

If the vehicle is stopped and subsequently restarted in the default mode condition, the TCM operates normally until the fault which caused the condition is detected again.

When limp home mode is active, the gear position indicator will show one of the following letters which defines the fault type:

  • 'F' - transmission is operating in limp home mode
  • 'H' - transmission has reached overheat threshold temperature and transmission is operating in limp home mode
  • 'E' - CAN bus is off and transmission is operating in limp home mode.

If electrical power is lost and the transmission is operating in mechanical limp home mode, the selector lever will not be locked in the 'N' position by the shift interlock solenoid. The lever will be locked in the 'P' position and can only be released by using the interlock emergency release lever or by correcting the electrical fault.

Reverse Lock-Out Mode

When the vehicle is travelling forwards, selecting reverse could cause transmission damage. To protect against this, reverse gear is prohibited if the vehicle is travelling forwards at a road speed of 5 mph (8 km/h) or higher.

Cooling Strategy

The purpose of the cooling strategy is to reduce engine and transmission temperatures during high load conditions, when towing a trailer for example. Under these conditions the engine and transmission may generate excessive heat.

If the transmission fluid temperature increases to 125ºC (257ºF) or higher, the TCM employs the cooling strategy. The message 'TRANSMISSION OVERHEAT' is displayed in the message centre.

The strategy uses a specific shift and torque converter lock-up clutch map. This map allows torque converter clutch lock-up and gear shifts to operate outside of their normal operation. This will reduce the engine speed and/or slip in the torque converter, therefore reducing heat generated by the engine and the transmission.

If the transmission fluid temperature increases to 137ºC (278ºF) or higher, the transmission will use the default (limp home mode). 'H' is displayed in the gear position indicator. If the temperature exceeds 140ºC (284ºF), CAN bus transmission is disabled and 'E' is displayed in the gear position indicator.

The cooling strategy is cancelled when the transmission fluid temperature decreases to less than 120ºC (248ºF) or below.

Curve Recognition

Curve recognition is activated when high levels of lateral acceleration and/or steering angle are detected via the ABS module and steering angle sensor signals on the CAN bus. When this condition is detected, the TCM prevents the transmission from changing to a higher gear to assist with cornering. When the vehicle completes it manoeuvre, the transmission will shift to the correct ratio.

Fast Off Recognition

Fast off recognition is activated when the TCM detects that the driver has backed off the accelerator pedal quickly in a 'change of mind' manoeuvre. This is detected by monitoring for a high level of negative pedal angle from the engine control module signal on the CAN bus. If this condition is detected, the TCM holds the current gear ratio to allow the driver to complete his original action without the need for a downshift. The mode remains active for a predetermined time period or if the driving style remains passive.

Terrain Response™ Mode

If the vehicle has the Terrain Response system fitted, the following additional modes are available.For additional information, refer to: Ride and Handling Optimization (204-06 Ride and Handling Optimization, Description and Operation).

Grass/Gravel/Snow

When the driver selects the Terrain Response grass/gravel/snow special program with the transfer box in either high or low range, the TCM uses a specific set of shift and torque converter maps to optimize the delivery of torque to the wheels and to minimize wheel slip in these terrains. To assist with the vehicle moving from a standstill, the TCM automatically selects 2nd gear in high range and 3rd gear in low range. This special program is fully integrated with hill mode to enhance vehicle control during ascents and descents.

Mud/Ruts

When the driver selects the Terrain Response mud/ruts special program with the transfer box in either high or low range, the TCM uses a specific set of shift and torque converter maps to optimize vehicle traction in this terrain.

Sand

When the driver selects the Terrain Response sand special program with the transfer box in either high or low range, the TCM uses a specific set of shift and torque converter maps to optimize the tractive performance in sand by holding onto gears longer and downshifting more readily. This mode is fully integrated with the hill mode to further enhance performance during ascents.

Rock Crawl

When the driver selects the Terrain Response rock crawl special program, which is only available with the transfer box in low range, the TCM uses a specific shift map which maximizes torque delivery at slow speeds associated with this type of terrain.

TRANSMISSION FAULT STATUS

If the TCM detects a fault with the transmission system, it will enter a default mode to prevent further damage to the transmission and allow the vehicle to be driven.

When a fault is detected a CAN message is sent from the TCM and is received by the instrument cluster. The instrument cluster illuminates the MIL and displays 'TRANS. FAILSAFE' in the message centre.

Some transmission faults may not illuminate the MIL or display a fault message, but the driver may notice a reduction in shift quality.

ENGINE SPEED AND TORQUE MONITORING

The ECM constantly supplies the TCM with information on engine speed and torque through messages on the CAN bus. The TCM uses this information to calculate the correct and appropriate timing of shift changes.

If the messages are not received by the ECM, the TCM will implement a back-up strategy to protect the transmission from damage and allow the vehicle to be driven.

In the event of an engine speed or torque signal failure, the transmission will adopt the electrical limp home mode with the transmission operating in a fixed gear.

TOWING FOR RECOVERY

The following procedure must be used to ensure that the vehicle is towed in a safe condition and damage to the vehicle transmission systems is prevented.

  • Secure the towing attachment from the recovery vehicle to the towing eye of the vehicle to be recovered.
  • Make sure that the parking brake is on. Turn the ignition key to the ignition position II.
  • Apply the footbrake and move the automatic transmission selector lever to the neutral position. If electrical power is not available, use the manual interlock release tab on the selector lever to move the lever to the neutral (N) position.
  • Make sure that the ignition is in the auxiliary position I or, if the stop lamps and turn signal indicators are required, in the ignition position II.
  • Make sure that the parking brake is released before the vehicle is towed.
  • The vehicle can only be towed for a maximum of 31 miles (50 km) at a maximum speed of 30 mph (50 km/h). Towing the vehicle for longer distances and/or faster speeds will damage the transmission.
WARNING:

Do not remove the key or move the ignition switch to position 'O' when the vehicle is being towed. The steering lock will be engaged preventing the steering from being turned.

With the engine not running, the brake booster and power steering pump will be inoperative. Care must be taken to ensure the vehicle is manoeuvred and driven accordingly.