Published: 11-May-2011

2007.0 Range Rover Sport (LS), 501-12

Instrument Panel and Console

Instrument Panel (G427712)

DESCRIPTION AND OPERATION
E56707
 
ItemDescription
1Instrument Panel
2Steering column cover
3Cup holders
4Center console
5Glove compartment
COOL BOX
E55744
 
ItemDescription
1Coolbox

On some vehicles, a cool box is incorporated in the tunnel console between the two front seats.

E47881
 
ItemDescription
1Cubby box lid
2Cubby box tray
3Container
4On/Off switch
5Thermoelectric cooler heatsink
6Fan
7Electrical connector

The cool box is an open topped container with an aluminum liner and an insulating outer layer. A thermoelectric cooler is installed in the front of the container. The top of the container is covered by the cubby box tray and the cubby box lid. An electrical connector on the front of the cool box connects the cool box to the console harness.

Operation of the thermoelectric cooler is controlled by an on/off switch on the top front edge of the container. A permanent battery feed is supplied to the on/off switch from the central junction box (CJB). A light emitting diode (LED) in the on/off switch is illuminated while the cool box is selected on.

The thermoelectric cooler is a solid state heat pump that uses the Peltier Effect to cool the inside of the cool box. The Peltier Effect occurs when a direct current is passed through a circuit of two dissimilar conductors, which are connected together at two junctions; this causes one junction to become cold and one junction to become hot. The potential difference between the two conductors creates an electric field at each junction; when a current is then applied to the circuit the charge flows against the direction of the electric field at one junction, causing it to absorb heat, and with the direction of the electric field at the other junction, causing it to release heat. In thermoelectric coolers, a number of these circuits (known as couples) are connected together, in series, and sandwiched between ceramic plates, then connected to a heatsink and fan. On the cool box, the cold side of the thermoelectric cooler is attached to the aluminum liner and the heatsink and fan are installed on the insulating outer layer.

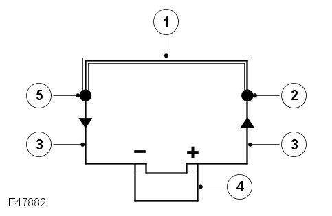
Peltier Effect Circuit
E47882
 
ItemDescription
1Conductor material A
2Hot junction
3Conductor material B
4Battery
5Cold junction

When the on/off switch is selected on, the LED in the switch illuminates and power is supplied to the thermoelectric cooler. The couples in the thermoelectric cooler then transfer heat from the liner of the cool box to the heatsink, and the fan runs to cool the heatsink.

COOL BOX CONTROL DIAGRAM
E56376
 
ItemDescription
1Battery
2Fusible link 18E, battery junction box (BJB)
3Fuse 59P, CJB
4Cool box on/off switch
5Thermoelectric cooler