Published: 11-May-2011

2007.0 Range Rover Sport (LS), 206-05

Parking Brake and Actuation

Parking Brake (G427411)

DESCRIPTION AND OPERATION
COMPONENT LOCATIONS
E52382
 
ItemDescription
1Parking brake indicators (all except NAS (north America specification))
2Parking brake indicators (NAS only)
3Drum brake
4Parking brake module
5Parking brake cable
6Emergency release cable
7Parking brake switch
GENERAL

The parking brake is an electrically actuated system that operates drum brakes integrated into the rear brake discs. The parking brake system consists of:

  • A parking brake switch.
  • Left and right drum brakes.
  • Left and right brake cables.
  • An emergency release cable.
  • Two parking brake indicators.
  • A parking brake module.

The parking brake is operated by the parking brake module, which adjusts the tension of the brake cables to apply and release the drum brakes. Operation of the parking brake module is initiated by the parking brake switch.

PARKING BRAKE SWITCH
E52383
 
ItemDescription
1Operating handle
2Switch body
3Electrical connector

The parking brake switch is used by the driver to apply and release the parking brake, and is installed in the center console adjacent to the gear lever.

Slots on the sides of the parking brake switch engage with the top panel of the center console, and a screw secures the parking brake switch in position. An electrical connector on the back of the switch provides the interface with the vehicle wiring. A brake symbol on the switch illuminates when the exterior lamps are selected on.

There are three states for the parking brake switch:

  • Apply request, when the handle of the parking brake switch is pulled up.
  • Release request, when the handle of the parking brake switch is pushed down.
  • Idle, when the handle of the parking brake switch is in the central or rest position.

Microswitches, incorporated into the parking brake switch, are activated by the handle of the parking brake switch. To determine the operating state of the parking brake switch, the parking brake module scans the circuits containing the microswitches.

DRUM BRAKES
NOTE:

right-hand (RH) brake shown, left-hand (LH) brake similar

E49844
 
ItemDescription
1Brake shoe
2Shoe locating pin and clip
3Adjuster spring
4Toothed wheel adjuster
5Backplate
6Return spring
7Cross strut
8Wedge adjuster screw
9Dust shield
10Rear brake disc
11Adjuster access plug
WARNING:

Prior to removing a brake disc from a vehicle, power should be disconnected from the parking brake module. Operation of the parking brake switch while a brake disc is removed can cause the actuating mechanism in the parking brake module to seize. In addition, the parking brake may not switch off until 20 minutes after key-off; automatic re-apply cannot be eliminated until this period has expired.

Each drum brake consists of a pair of brake shoes installed on a backplate attached to the rear hub carrier. The brake shoes operate on the drum integrated into the rear brake disc. The orientation of the brake shoes differ by 180° between the LH and RH brakes.

When the parking brake module tensions the brake cables, the movement is transmitted to an operating lever on one of the brake shoes. The operating lever pivots against a cross strut, which forces the brake shoes apart and into contact with the drum in the rear brake disc. Brake shoe to drum clearance is set with two manual adjusters, which are accessed through a hole in the brake disc. One of the adjusters is a conventional toothed wheel adjuster. The second adjuster is a wedge adjuster operated by an Allen screw.

After replacement of the brake shoes or brake discs, a bedding in procedure must be performed to ensure the drum brakes operate satisfactorily. For additional information, refer to: Parking Brake Shoes Bedding-In (206-05 Parking Brake and Actuation, General Procedures).

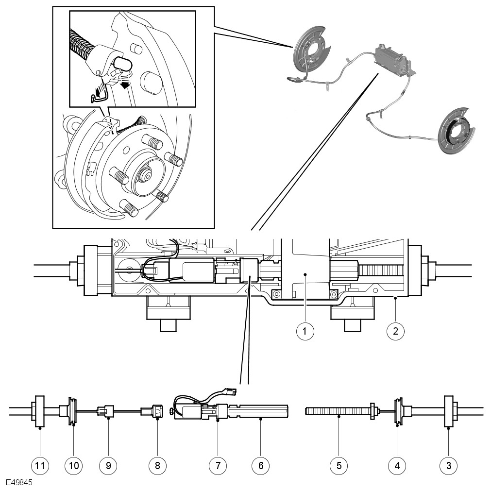
BRAKE CABLES
E49845
 
ItemDescription
1Gearbox
2Parking brake module housing
3Cable nut
4Sealing collar
5Threaded connector
6Spline shaft
7Force sensor
8Shoe
9Locking cover
10Sealing collar
11Cable nut
WARNING:

Prior to disconnecting a brake cable, power should be disconnected from the parking brake module. Operation of the parking brake switch while a brake cable is disconnected can cause the actuating mechanism in the parking brake module to seize. In addition, the parking brake may not switch off until 20 minutes after key-off; automatic re-apply cannot be eliminated until this period has expired.

The brake cables consist of Bowden cables installed between the parking brake module and the drum brakes. Nuts, on the ends of the outer cables, secure the brake cables to the parking brake module and the backplate of the related drum brake. In each drum brake, the inner cable is located in the guide spring and connected to the brake shoe operating lever by a nipple on the end of the cable. In the parking brake module, the two inner cables are joined together via the force sensor and the spline shaft.

The inner cable of the RH brake cable is connected to a nipple on the force sensor by a 'shoe' on the end of the cable; a locking cover keeps the shoe engaged with the nipple.

The inner cable of the LH brake cable is connected to the spline shaft by a threaded connector (LH thread); a squared flange at the end of the threaded connector locates in the housing of the parking brake module, to prevent the threaded connector from turning with the spline shaft.

When the spline shaft turns, the threaded connector of the LH brake cable is screwed into or out of the spline shaft, which changes the effective length of the inner cables and operates the drum brakes. The ability of the spline shaft to move axially in the gearbox equalizes the load applied by the inner cables to the two drum brakes.

EMERGENCY RELEASE CABLE
E49846
 
ItemDescription
1Pull ring
2Quick release fitting
3Parking brake module
4Sealing collar
5Spring
6Inner cable
7Nipple
8Pulley wheel

The emergency release cable allows the parking brake to be mechanically released if:

  • The parking brake cannot be electrically released because of a system fault.
  • The battery is disconnected or battery voltage decreases below 7.5 volts while the parking brake is applied, so that the parking brake cannot be electrically released.

The parking brake is mechanically released by disconnecting the force sensor from the spline shaft in the parking brake module. During normal operation, the force sensor and the spline shaft are locked together by a lever operated pawl on the end of the spline shaft, which engages with a spigot on the force sensor.

The emergency release cable is a Bowden cable installed between the parking brake module and the center console. The emergency release cable is held in clips along the underside of the vehicle and enters the passenger compartment below the center console through an aperture in the transmission tunnel. A quick release fitting seals the emergency release cable in the aperture. At the parking brake module, a sealing collar on the outer cable is a push fit in the housing of the parking brake module.

In the center console, a pull ring is installed on the end of the inner cable. The pull ring is designed to fit the hook on the end of the jack handle which, in combination with a screwdriver shaft, can be used to pull on the cable. The pull ring can be accessed by removing a circular panel in the bottom of the center console cupholders, on left-hand drive (LHD) vehicles, or by removing the parking brake switch on right-hand drive (RHD) vehicles.

The pull required to release the latch is approximately 200 N (45 lbf). When the pull ring of the emergency release cable is released, the spring in the parking brake module retracts the inner cable and the nipple moves away from the pawl operating lever.

After the emergency release cable has been used to release the parking brake, the next time an apply selection is made with the parking brake switch, the parking brake module automatically runs through a latching procedure to reconnect the spline shaft with the force sensor. The parking brake module turns the spline shaft so that it moves towards the force sensor. The pawl of the spline shaft then re-engages with the spigot of the force sensor. A second apply selection with the parking brake switch is required to apply the parking brake.

PARKING BRAKE INDICATORS
E49849
 
ItemDescription
1Red warning indicator (all except NAS)
2Amber warning indicator (all except NAS)
3Red warning indicator (NAS only)
4Amber warning indicator (NAS only)

The parking brake has two warning indicators, one amber and one red, located in the speedometer of the instrument cluster.

Amber Parking Brake Warning Indicator

The amber parking brake warning indicator is continuously illuminated if there is a parking brake system fault. Operation of the indicator is controlled by a high speed controller area network (CAN) bus signal from the parking brake module to the instrument cluster.

Red Parking Brake Warning Indicator

When the parking brake is applied, the red parking brake warning indicator is continuously illuminated while the ignition is on and for 3 minutes after the ignition is switched off. If the system is unable to comply with an apply or release request, due to a system fault, the indicator flashes.

When the ignition is on and the indicator is not flashing, operation is controlled by a high speed CAN bus signal from the parking brake module to the instrument cluster. When the ignition is off or when the indicator is flashing, operation is controlled by a hardwired signal from the parking brake module to the instrument cluster.

Messages Center

When there is a fault condition, illumination of the warning indicators is accompanied by a text message displayed in the message center. For additional information, refer to: Instrument Cluster (413-01 Instrument Cluster, Description and Operation).

PARKING BRAKE MODULE

The parking brake module monitors external and internal inputs and adjusts the tension of the brake cables to operate the drum brakes and provide the required parking brake function.

The parking brake module is installed on a support bracket attached to the front of the spare wheel carrier. Two rubber mounts, installed on lugs on the underside of the parking brake module, locate in holes in the support bracket. The top corners of the parking brake module are secured to the support bracket with rubber mounts and flanged nuts.

The main components of the parking brake module are:

  • A PCB (printed circuit board) incorporating the ASIC (application specific integrated circuit) for control of the parking brake.
  • An electric motor.
  • A gearbox.
  • A spline shaft.
  • A force sensor.

The spline shaft and the force sensor are connected together by a latch on the end of the spline shaft. The spline shaft rotates on the latch and moves axially in the gearbox. The latch and the force sensor slide in a channel in the body of the parking brake module.

To apply or release the drum brakes, the parking brake module runs the electric motor, which drives the gearbox. The gearbox turns the spline shaft to increase or decrease the tension in the brake cables. The parking brake module monitors the load exerted by the brake cables using the input from the force sensor.

Interior of Parking Brake Module
E49850
 
ItemDescription
1Electrical connector
2Housing
3Electric motor
4PCB
5Spline shaft
6Gearbox
7Force sensor

Inputs and Outputs

A 32 pin electrical connector on the RH side of the parking brake module provides the interface between the PCB and the vehicle wiring.

The parking brake module is powered by two permanent battery power feeds from the battery junction box (BJB). Two further connections with the central junction box (CJB) provide battery voltage signals when the key is in the ignition switch (key in) and when the ignition switch is in position II (ignition). Other hardwired inputs include those from the parking brake switch.

In addition to the hardwired connections, the parking brake module is connected to the high speed CAN bus to enable communication with other vehicle systems.

Parking Brake Module Harness Connector C2178
E49851

Parking Brake Module Harness Connector C2178 Pin Details

Pin No.DescriptionInput/Output
A1Not used-
A2High speed CAN bus low outInput/Output
A3High speed CAN bus high inInput/Output
A4High speed CAN bus low inInput/Output
B1Not used-
B2High speed CAN bus high outInput/Output
B3Parking brake switch SW1Input
B4Parking brake switch SW4Input
C1 and C2Not used-
C3Parking brake switch SW2Input
C4Parking brake switch SW5Output
D1 to F1Not used-
F2Key in ignition switchInput
F3Ignition power supplyInput
F4Red parking brake indicatorOutput
G1Not used-
G2GroundOutput
G3Not used-
G4Battery power supplyInput
H1Not used-
H2GroundOutput
H3Not used-
H4Battery power supplyInput
PARKING BRAKE OPERATION

The parking brake can be applied at any time provided sufficient battery power is available. For the parking brake to be released, various pre-conditions are required. The parking brake has manual and automatic actuating modes, to cater for different operating circumstances, as detailed in the following table:

Actuating Modes

ModePre-ConditionsDriver Action
Static applyVehicle speed less than 2.5 km/h (1.6 mph).Pull up parking brake switch.
Static release1. Vehicle speed less than 2.5 km/h (1.6 mph).
2. Engine running.
OR
Ignition switch in position II and brake pedal or accelerator pedal pressed.
Press down parking brake switch.
Dynamic applyVehicle speed more than 2.5 km/h (1.6 mph).Pull up parking brake switch as required.
Dynamic releaseVehicle speed more than 2.5 km/h (1.6 mph).Release (to neutral position) or press down parking brake switch.
DAR (drive away release)1. Ignition switch in position II.
2. Transmission in gear 1, 2 or R (with high range selected) or 1, 2, 3 or R (with low range selected).
3. Accelerator pedal pressed more than 5%.
None. Parking brake released automatically on drive away.

Operating Voltages

Actuation of the parking brake (apply or release) is only started if the power supply to the parking brake module is within 9 to 18 volts. At any voltage in this range, the parking brake module is able to tighten the brake cables to the maximum, to fully apply the parking brake, although at voltages between 9 and 10.5 volts the actuation time may exceed 1.0 second.

During a parking brake actuation:

  • If the power supply to the parking brake module decreases to less than 8.3 volts, the parking brake module continues the actuation, but stores a related fault code. If the ignition is on, the parking brake module also signals the instrument cluster to illuminate the amber parking brake warning indicator and flash the red parking brake warning indicator. On the instrument cluster, a message advising there is a parking brake fault is shown in the message center. The warning indications are discontinued if the power supply voltage increases to 8.3 volts or more.
  • If the power supply voltage decreases to less than 7.5 volts, the parking brake module discontinues the actuation. Actuation is automatically resumed if the power supply voltage subsequently increases to 7.5 volts or more and the parking brake switch request is still valid.
  • If the power supply voltage decreases below 6.5 volts, the parking brake function is disabled for the remainder of the ignition cycle.
  • If the power supply voltage increases to more than 18.0 volts, the parking brake module immediately disables the parking brake function and stores a related fault code. If the ignition is on, the parking brake module also signals the instrument cluster to illuminate the amber parking brake warning indicator and flash the red parking brake warning indicator. On the instrument cluster, a message advising that the parking brake has a fault and is not functioning is shown in the message center. The parking brake function remains disabled until the power supply voltage is within 9 to 18 volts again. When the power supply voltage is within 9 to 18 volts again, the warning indications are cancelled and actuation is automatically resumed if the parking brake module is in a dynamic mode of operation with a valid parking brake switch request.
NOTE:

The instrument cluster shuts down below 8 volts, so warning indications and messages are not displayed below 8 volts. CAN transmission stops if battery voltage drops below 7.0 volts and re-starts when voltage goes above 7.5 volts.

Sleep Mode

To reduce quiescent drain on the vehicle battery, the parking brake module incorporates a sleep mode. The parking brake module enters the sleep mode, provided the ignition is off and there are no signals from the wheel speed sensors, when one of the following occurs:

  • 20 minutes elapse after the last actuation of the parking brake.
  • If no actuation occurred, 20 minutes elapse after the ignition is switched off.

The parking brake module wakes up from the sleep mode when one of the following occurs:

  • An apply or release request is made with the parking brake switch.
  • The ignition is turned on.

The parking brake module wakes up within 500 ms. The high speed CAN bus is activated within 200 ms maximum.

When the parking brake module is woken with a release request from the parking brake switch, the parking brake module ignores the request but illuminates the red brake warning indicator. The parking brake module extinguishes the red brake warning indicator and goes back to sleep immediately the switch is released to the neutral position.

When the parking brake module is woken with an apply request from the parking brake switch, if the parking brake is already applied the parking brake module ignores the request but illuminates the red brake warning indicator. The parking brake module extinguishes the red brake warning indicator and goes back to sleep immediately the switch is released to the neutral position. If the parking brake is in the released condition when the apply request is made, the parking brake module illuminates the red brake warning indicator and applies the parking brake. The parking brake module extinguishes the red brake warning indicator and goes back to sleep 3 minutes after the apply activation, or immediately after the switch is released to the neutral position, whichever occurs last.

Dynamic Apply

In the dynamic apply mode, if the vehicle speed is more than 10 km/h (6.25 mph) when the parking brake switch is selected to apply, the parking brake module requests the anti-lock brake system (ABS) module to activate the disc brakes on all four wheels. When the vehicle comes to a standstill, the parking brake module statically applies the parking brake. Once the static load is achieved, the hydraulic pressure is removed. If the parking brake switch is released to the neutral position, or pressed down to the release position, during dynamic apply, braking is cancelled.

The ABS module monitors the deceleration rate using the wheel speed sensor signals, and adjusts the hydraulic pressure to the disc brakes as required to achieve the required rate. All of the anti-lock control - traction control system brake functions remain enabled in the dynamic apply mode.

The parking brake module incorporates two fallback functions for the dynamic apply mode:

  • Fallback 1 is invoked if vehicle speed is between 2.5 km/h (1.25 mph) and Vmax when the parking brake switch is selected to apply and the ABS module is unable to fulfil a hydraulic request. When fallback 1 is invoked, the parking brake module decelerates the vehicle using only the parking brake. The parking brake module monitors the deceleration rate using the wheel speed information from the ABS module, and adjusts the tension of the brake cables to achieve the required rate. During deceleration the parking brake module also uses the wheel speed inputs from the ABS module to operate an anti-lock function for the rear wheels. When vehicle speed decreases to 2.5 km/h (1.25 mph) the parking brake module changes to the static apply mode.
  • Fallback 2 is invoked if there is a loss of communication between the parking brake module and the ABS module or the CAN bus has failed. When fallback 2 is invoked, the parking brake module decelerates the vehicle using only the parking brake. The parking brake module tightens the brake cables under the control of the driver, no anti-lock function is available.

While dynamic apply is active, including fallback 1 and fallback 2, the parking brake module also outputs high speed CAN bus signals to:

  • The ABS module, to apply the stoplamps.
  • The instrument cluster, to sound an intermittent warning buzzer, at 0.5 second on, 1.0 second off.
  • The instrument cluster, to illuminate the red parking brake warning indicator. The indicator is permanently illuminated except in fallback 2, when it flashes.

DAR Pre-arming

The DAR pre-arming function operates when the transfer box is in high range to reduce the parking brake release time during DAR and to provide a smooth take-off. DAR pre-arming is invoked when:

  • The ignition switch is in position II.
  • The transmission is in gear 1, 2 or R.
  • The vehicle is stationary.
  • No failsafe tighten actuation has occurred.

Automatic Load Adjustment

While the ignition is on, the parking brake module constantly monitors the input from the force sensor. If the tension of the brake cables goes outside the limits for a given operating mode, the parking brake module automatically restores the tension within limits.

Failsafe Tighten. If, during DAR pre-arming, the vehicle moves, then the maximum cable force is reinstated for the remainder of that ignition cycle.

Automatic Apply. While the parking brake is applied, if the tension of the brake cables decreases by a prescribed amount from the initial setting, the parking brake module automatically restores the tension to the initial setting.

Automatic Release. While the parking brake is released, if the tension of the brake cables increase to a prescribed amount, the parking brake module automatically reduces the tension to zero.

Parking Brake Switch Monitoring

The parking brake module monitors for the following types of fault in the parking brake switch system:

  • Short circuits between a pull-down transistor in the parking brake module and battery voltage.
  • Broken wires and microswitches.
  • Plausibility.

If a fault is detected, the parking brake module stores a related fault code.

The parking brake switch has a degree of in-built redundancy. If a single microswitch fault is detected the parking brake module can still determine the operating state of the parking brake switch. Short circuits or multiple failures cause the parking brake module to disable the parking brake switch for the remainder of the ignition cycle. The parking brake module also disables the parking brake switch if a plausibility fault occurs. However, since plausibility faults are usually caused by incomplete operation of the parking brake switch, the parking brake switch is re-enabled if the parking brake module subsequently establishes a plausible operating state.

If a single microswitch fault is detected, the parking brake module signals the instrument cluster to illuminate the amber parking brake warning indicator. The parking brake module also signals the instrument cluster to display a message advising there is a parking brake fault. During an apply actuation, the parking brake module also signals the instrument cluster to flash the red parking brake warning indicator.

For all other fault types, the parking brake module signals the instrument cluster to illuminate the amber parking brake warning indicator and to display a message advising the parking brake has a fault and is not functioning. If it makes an apply actuation, the parking brake module signals the instrument cluster to flash the red parking brake warning indicator for the remainder of the ignition cycle.

On the next ignition cycle, the warning indicators and the messages are only activated if the fault is still present, although the fault code is retained by the parking brake module until cleared by T4.

PARKING BRAKE CONTROL DIAGRAM
NOTE:

A = Hardwired connection; D = High speed CAN bus; N = Medium speed CAN bus

E52396
 
ItemDescription
1Battery
2Fusible link 11E, BJB
3Fusible link 8E, BJB
4Air suspension control module
5Diagnostic socket
6Instrument cluster
7Integrated head unit
8Parking brake module
9automatic temperature control (ATC) module
10TPM (tire pressure monitoring) module
11Parking aid module
12CJB
13Transfer box control module
14engine control module (ECM)
15Rear differential control module
16ABS module
17transmission control module (TCM)
18Restraints control module
19Parking brake switch
20Fuse 41P, CJB (ignition)
21Ignition switch
22Fuse 40P, CJB (key-in)